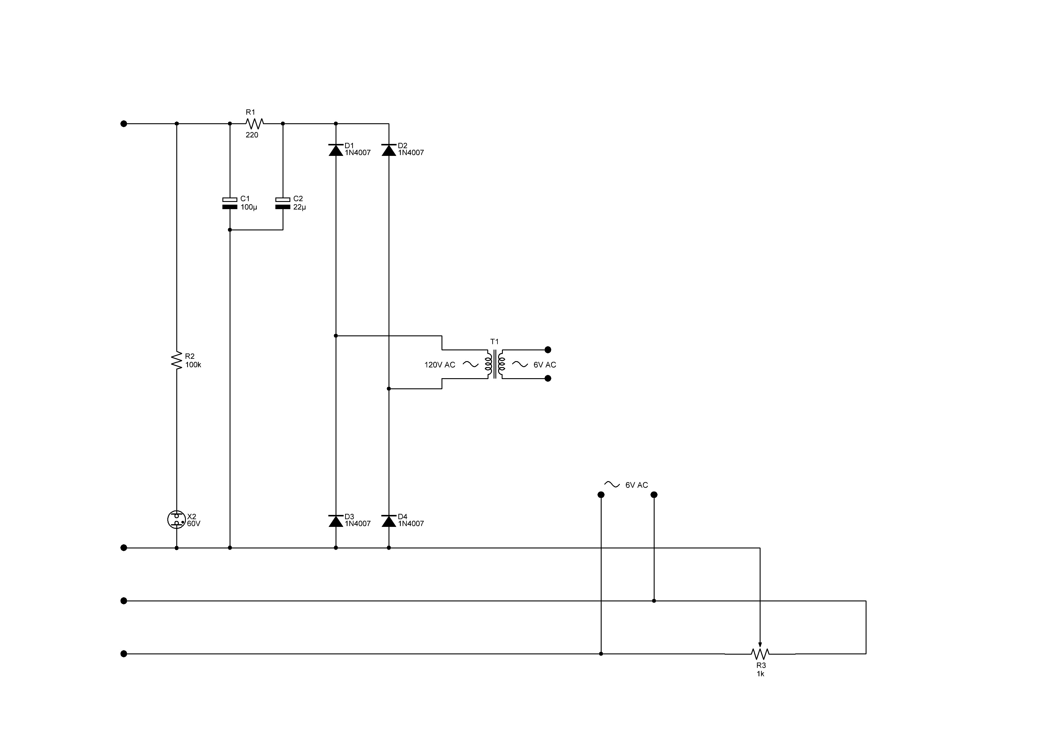
Valve PSU