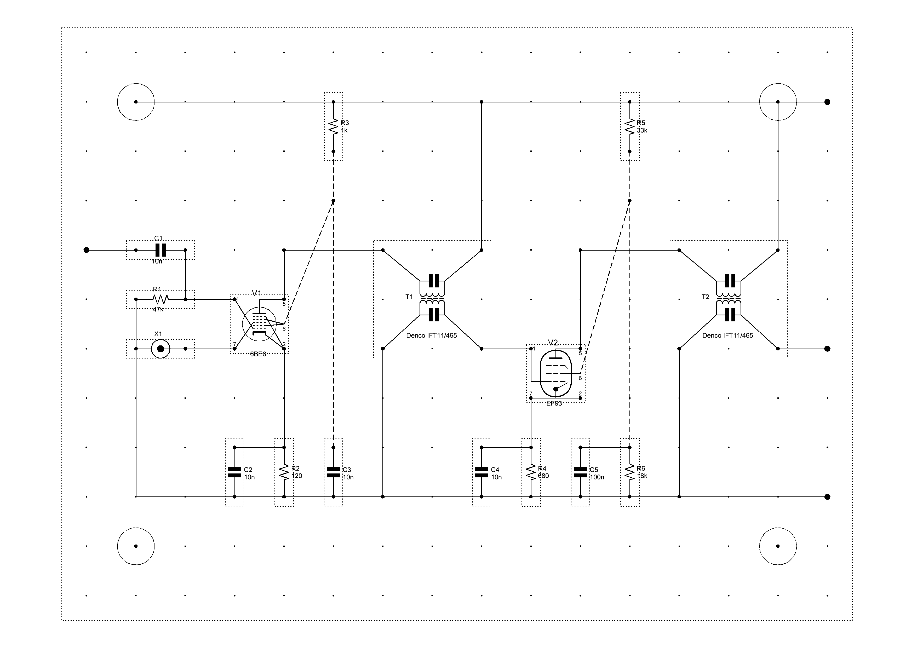
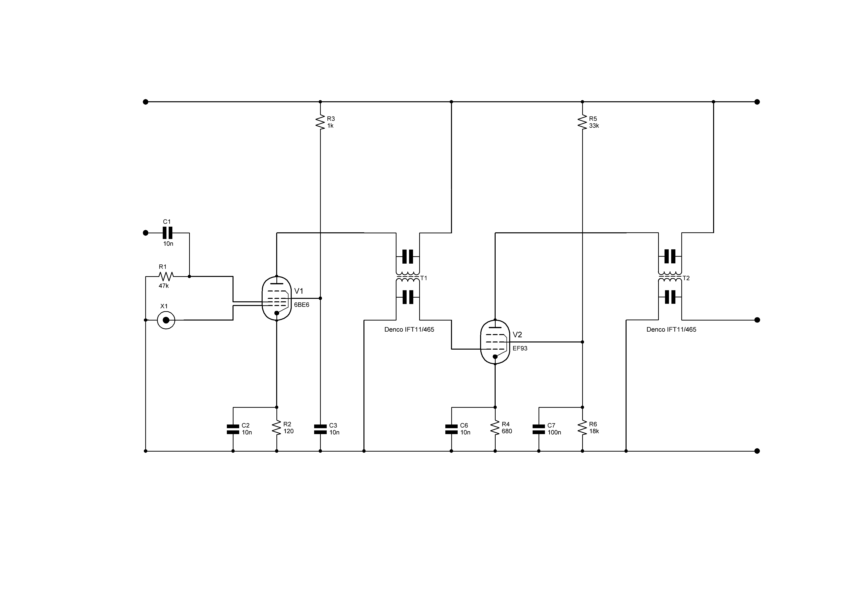
Valve IF Amplifier