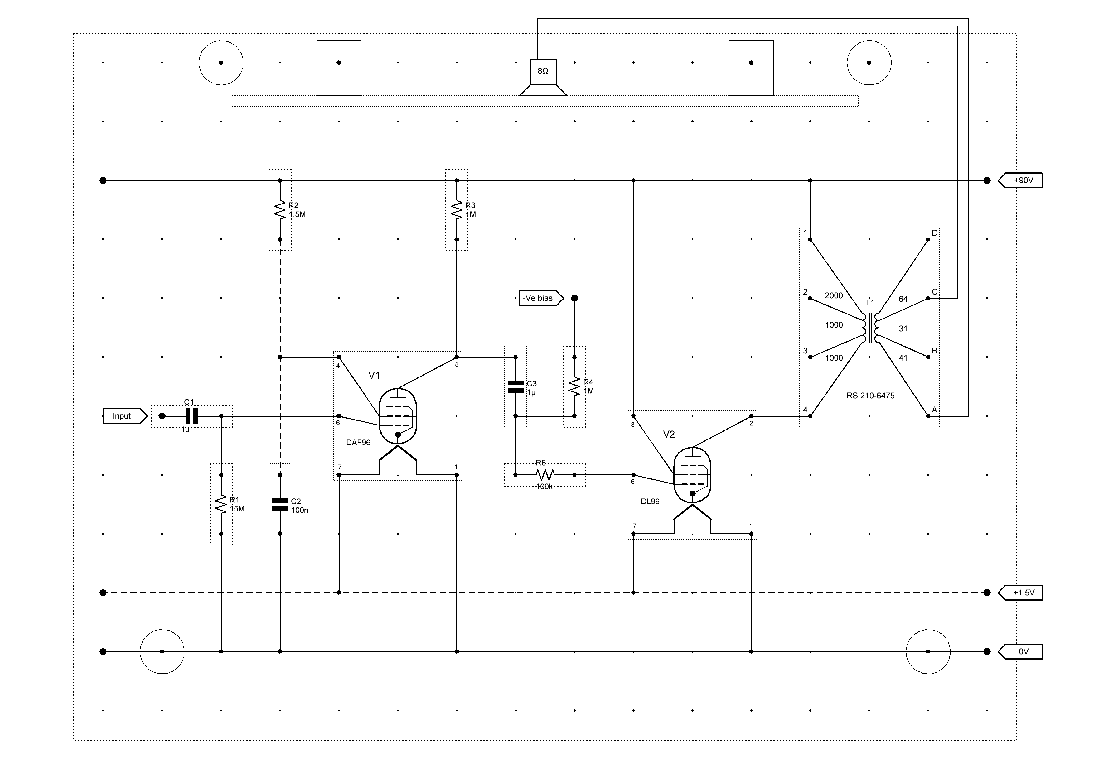
Valve Amplifier
RS Universal Output Transformer