Superhet Radio


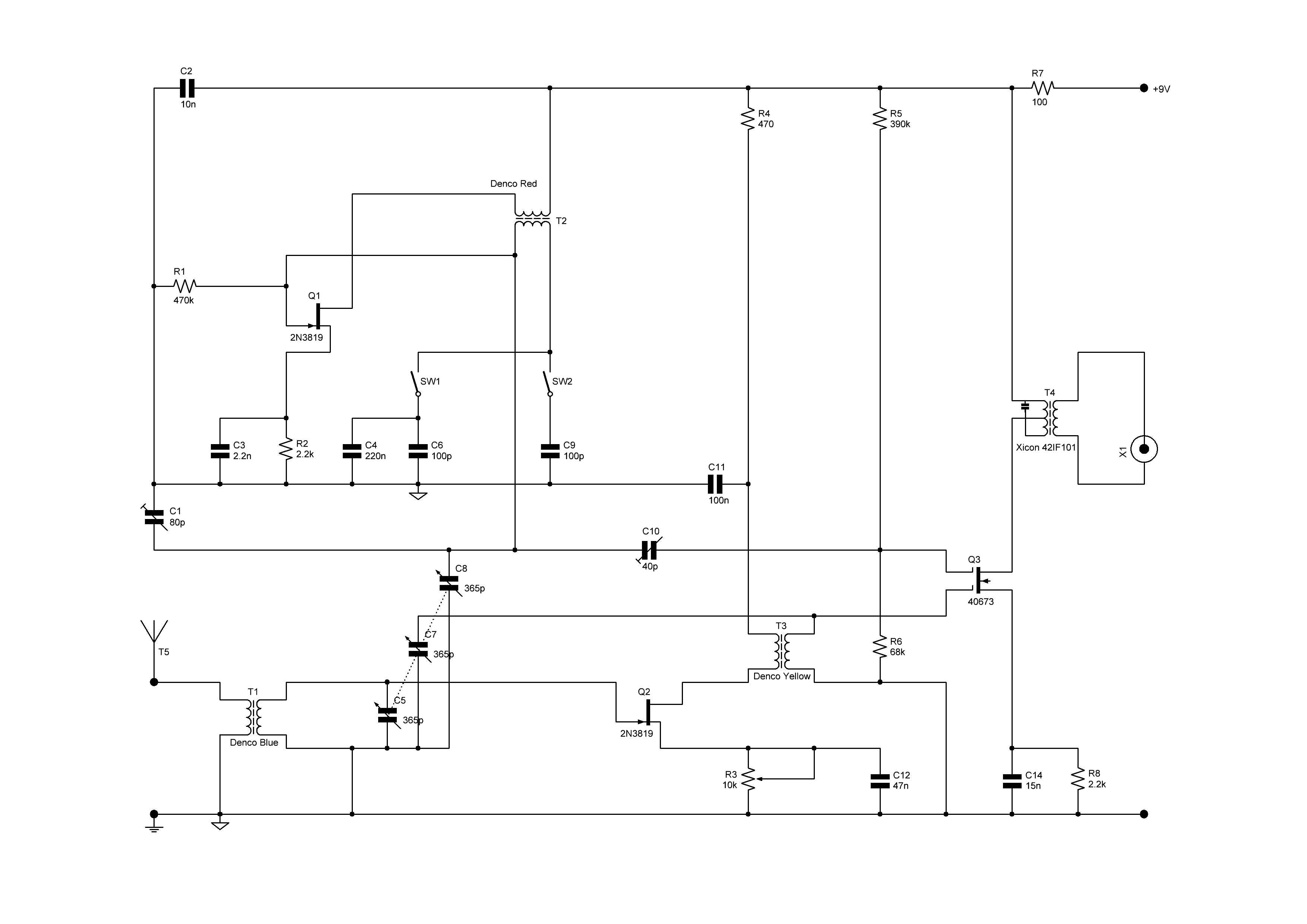
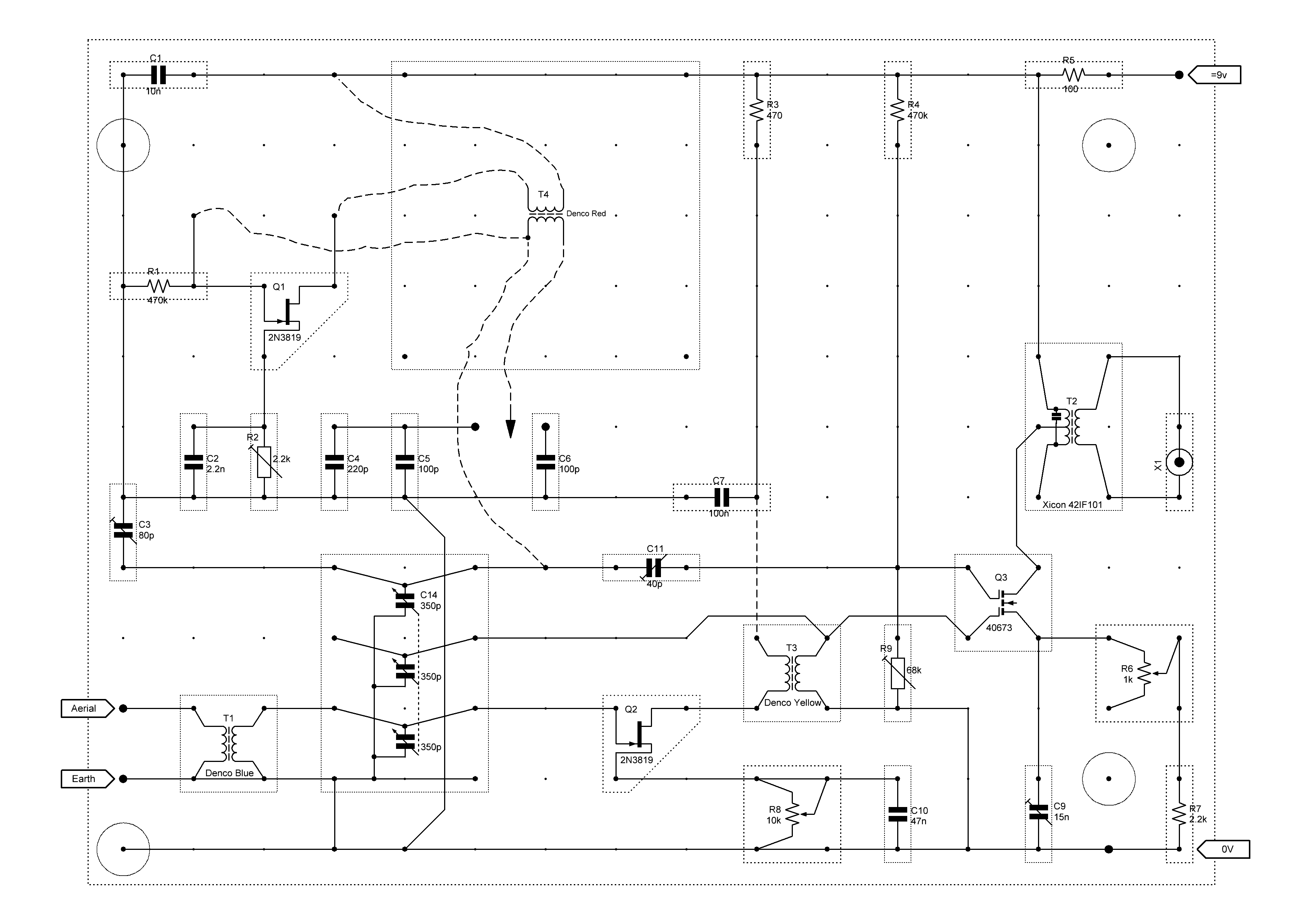
RF Front End and Mixer


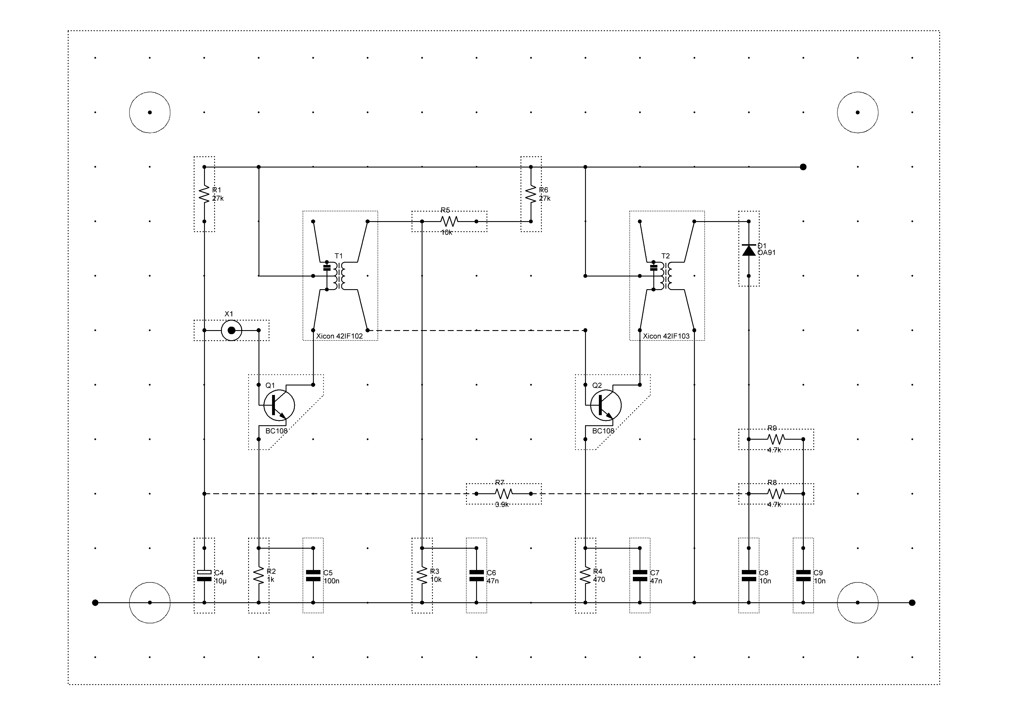
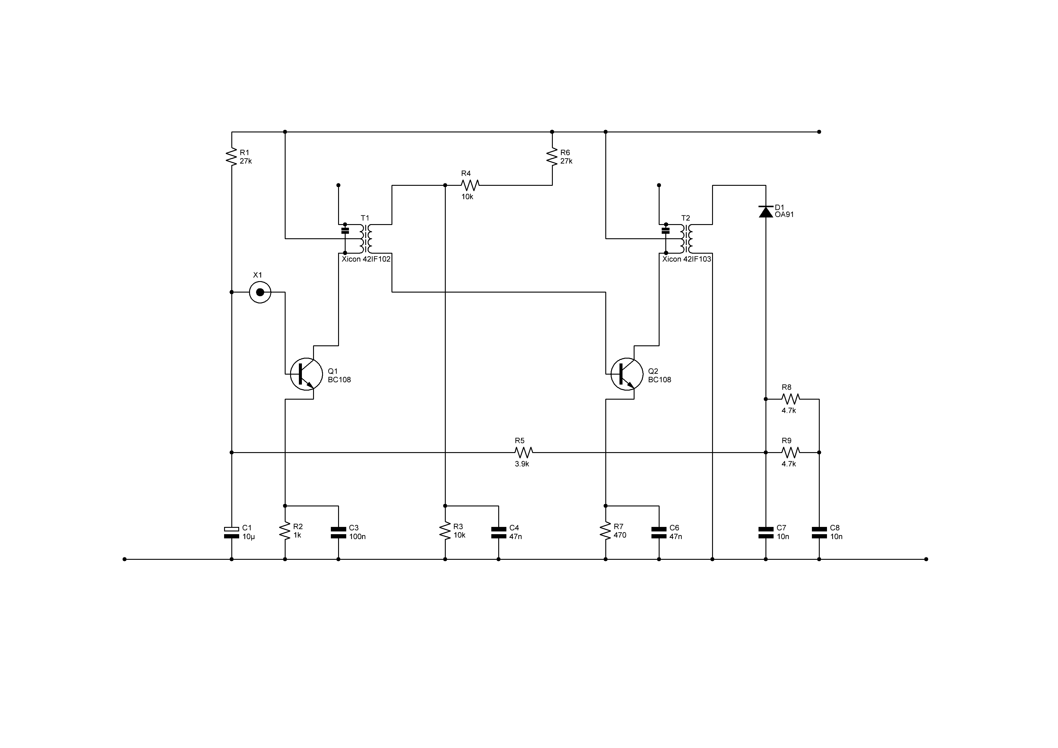
Intermediate Frequency Amplifier

  • Xicon IFT Transformers

  • Source Circuits





    How to Build Advanced Short Wave Receivers
    R. A. Penfold
    BERNARDS No 226
    @1977 BERNARDS (Publishers) LTD
    First Published June 1977

    How to Build Advanced Short Wave Receivers