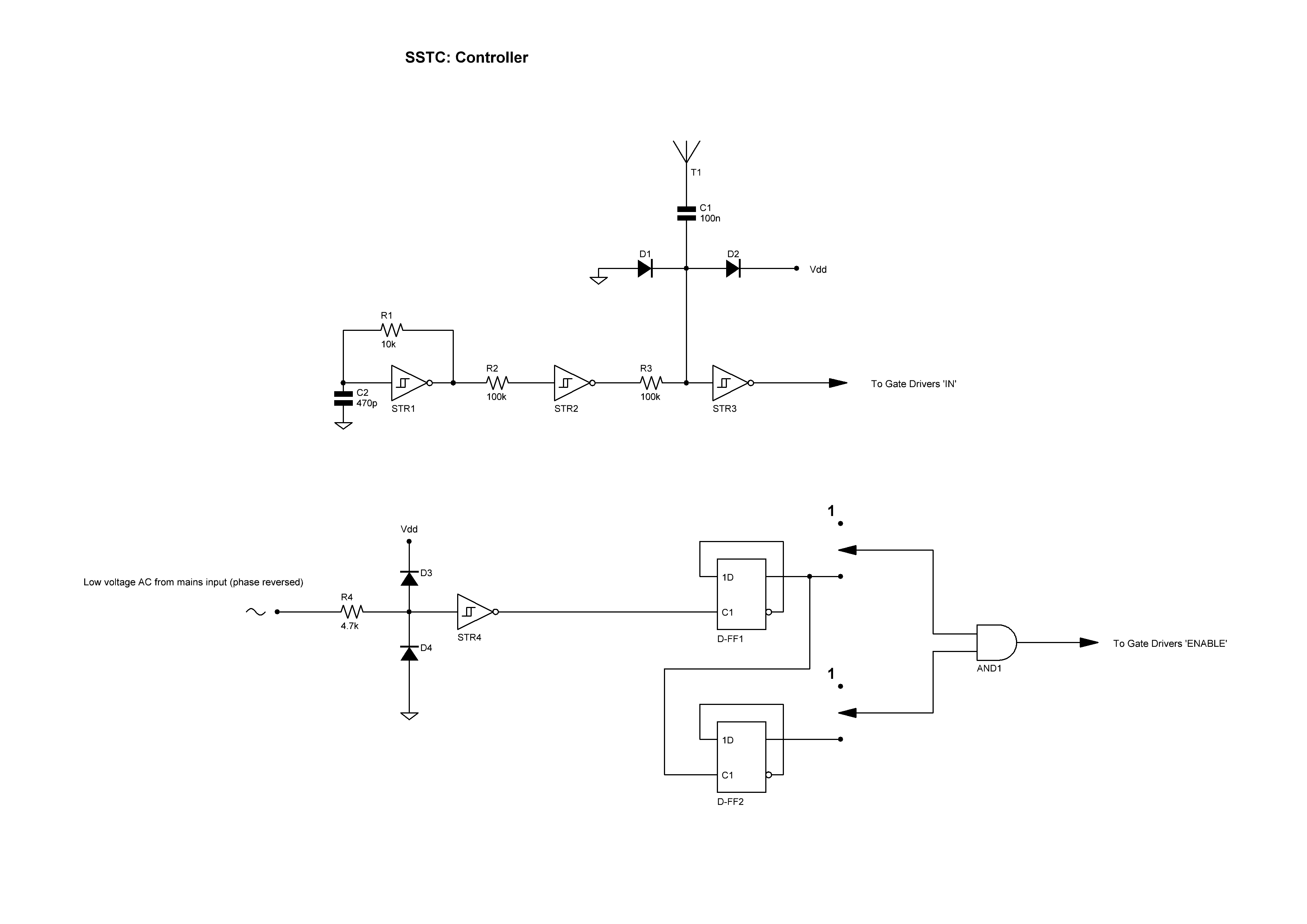
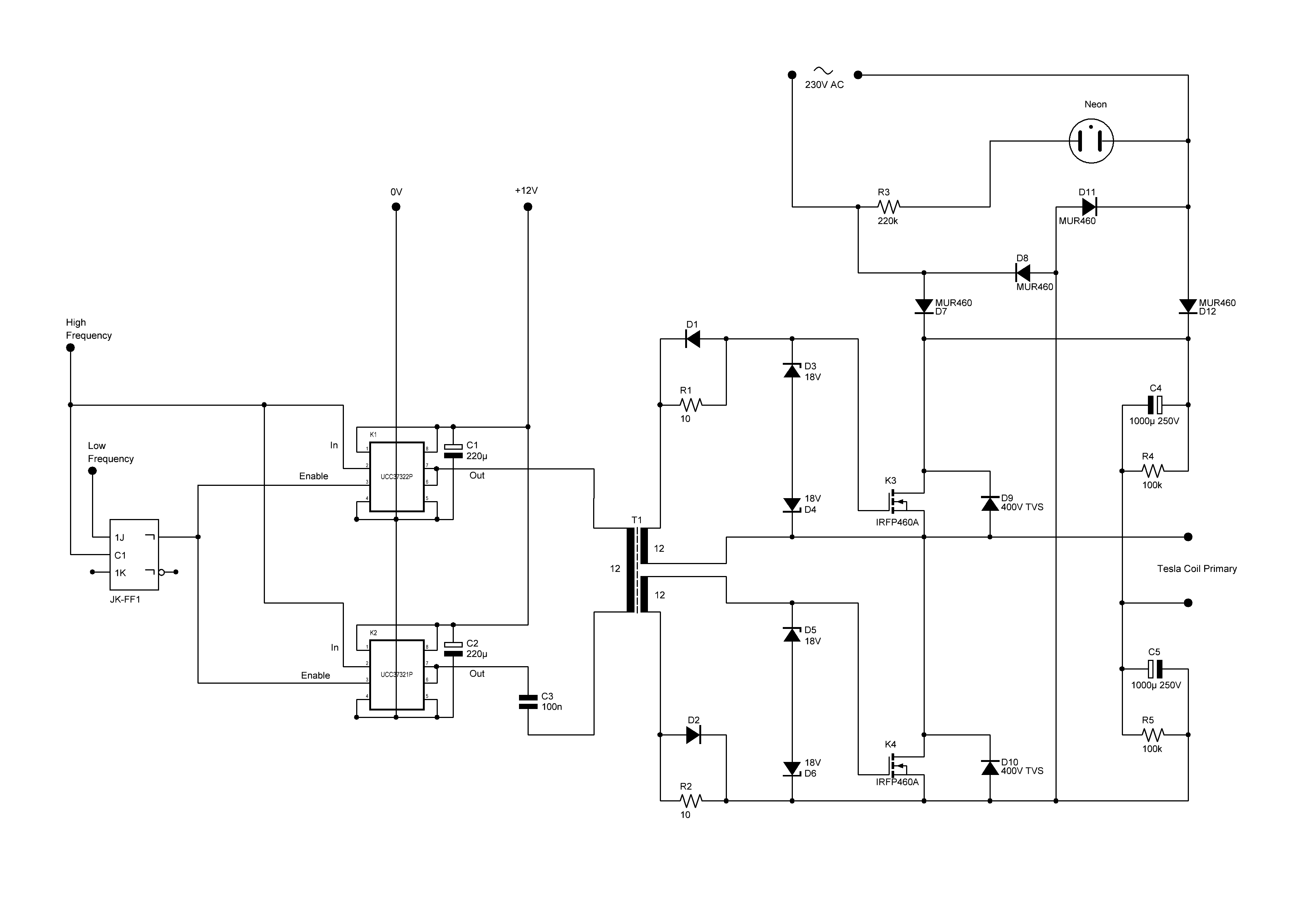
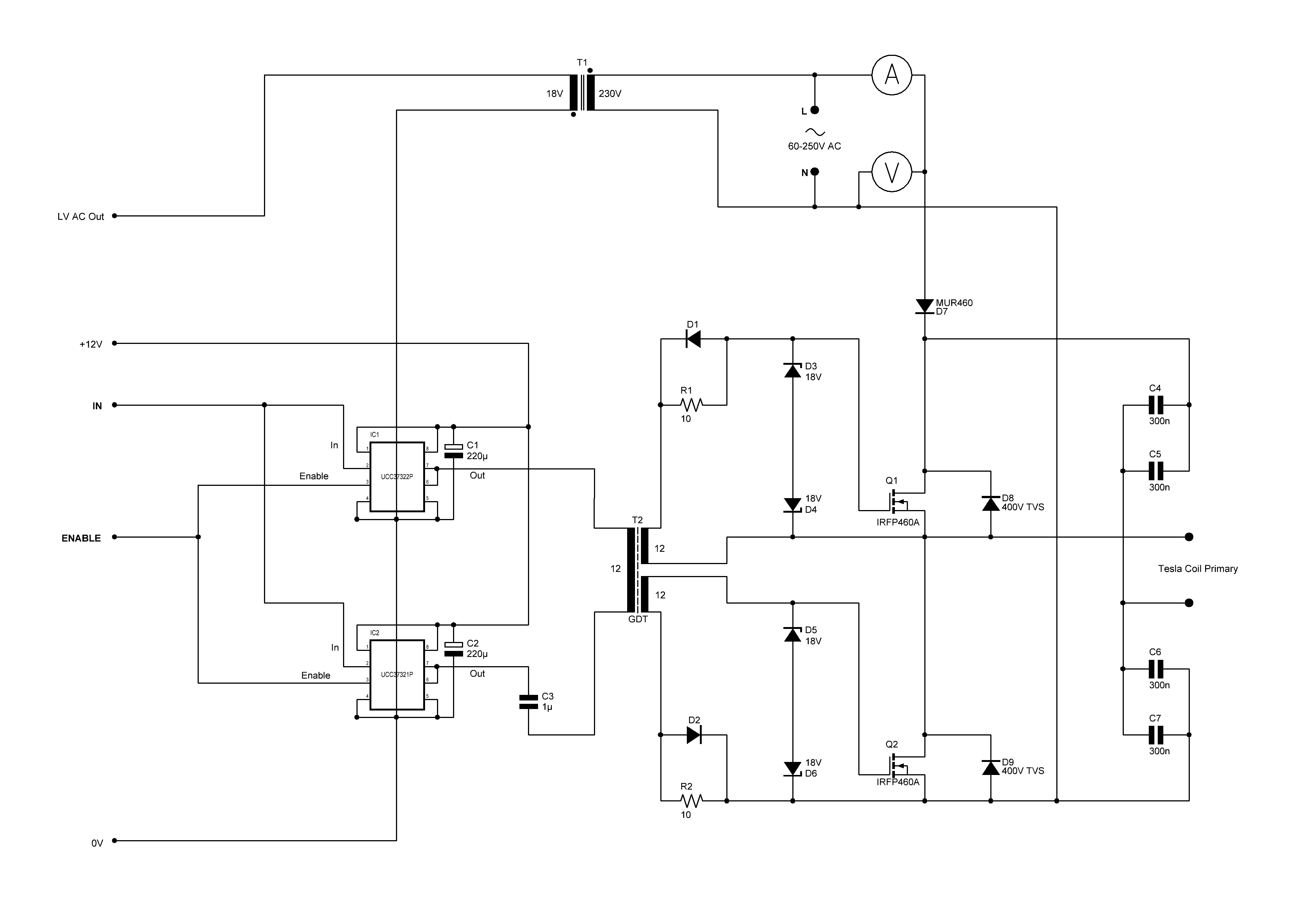
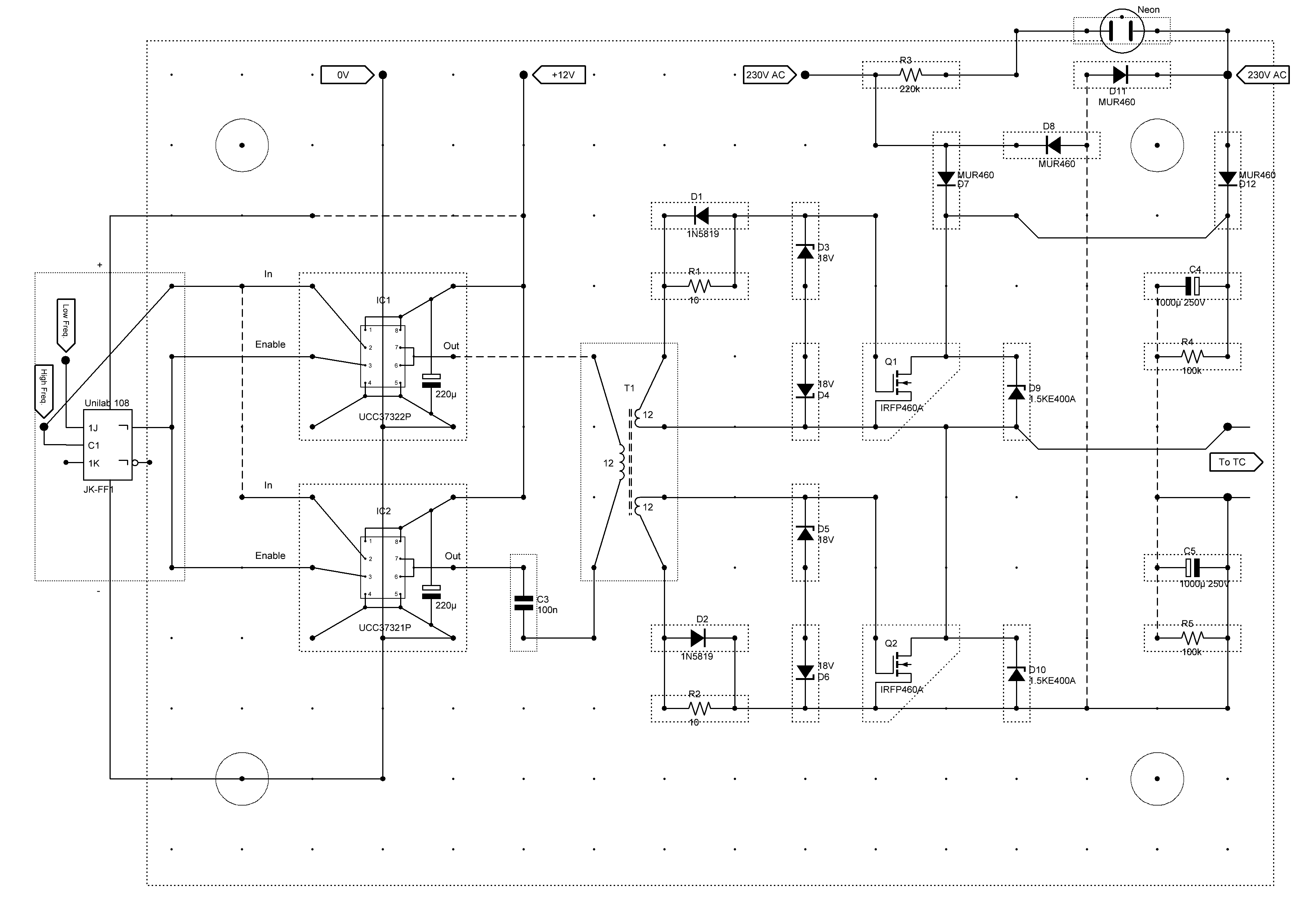
Solid State Tesla Coil