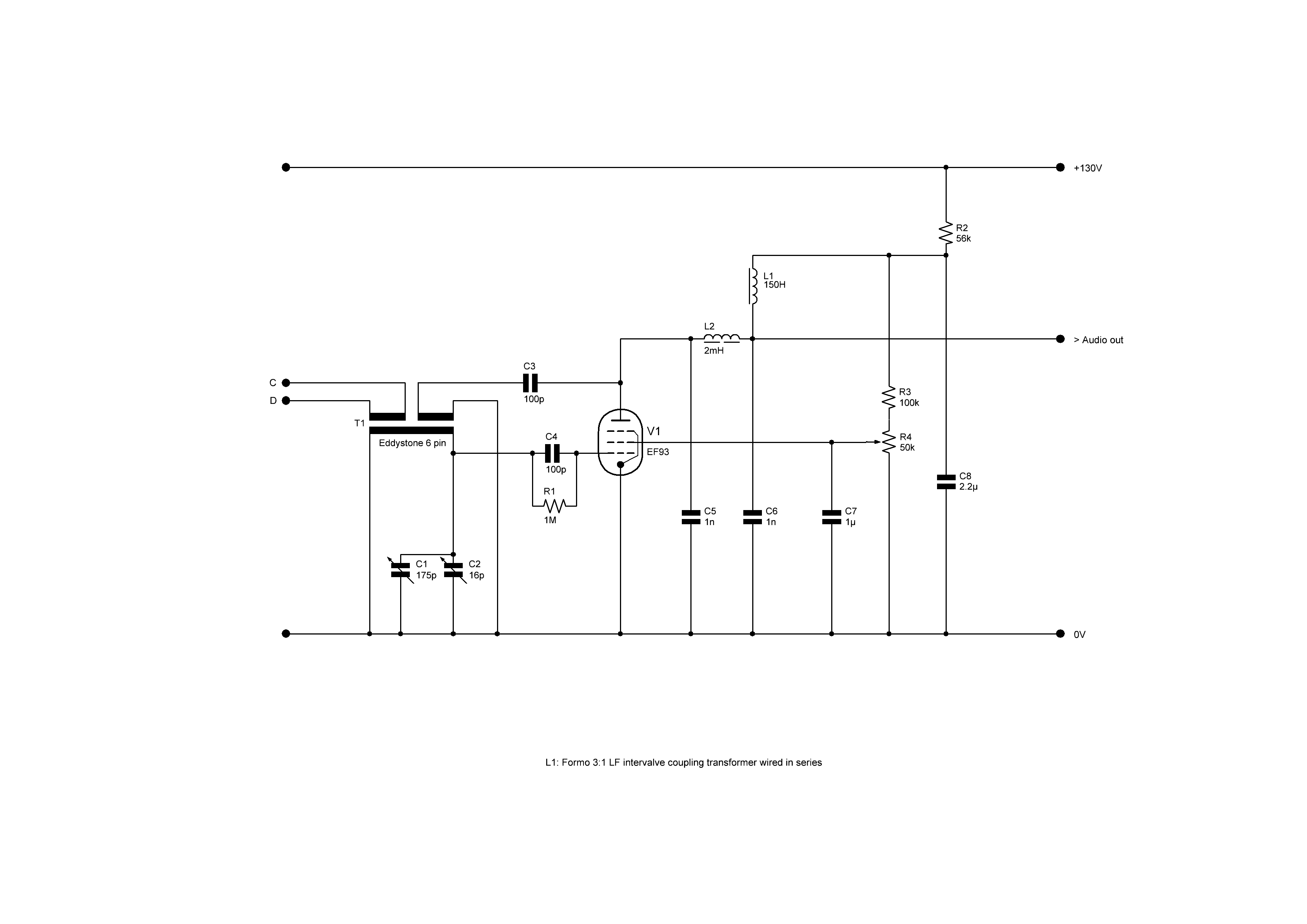
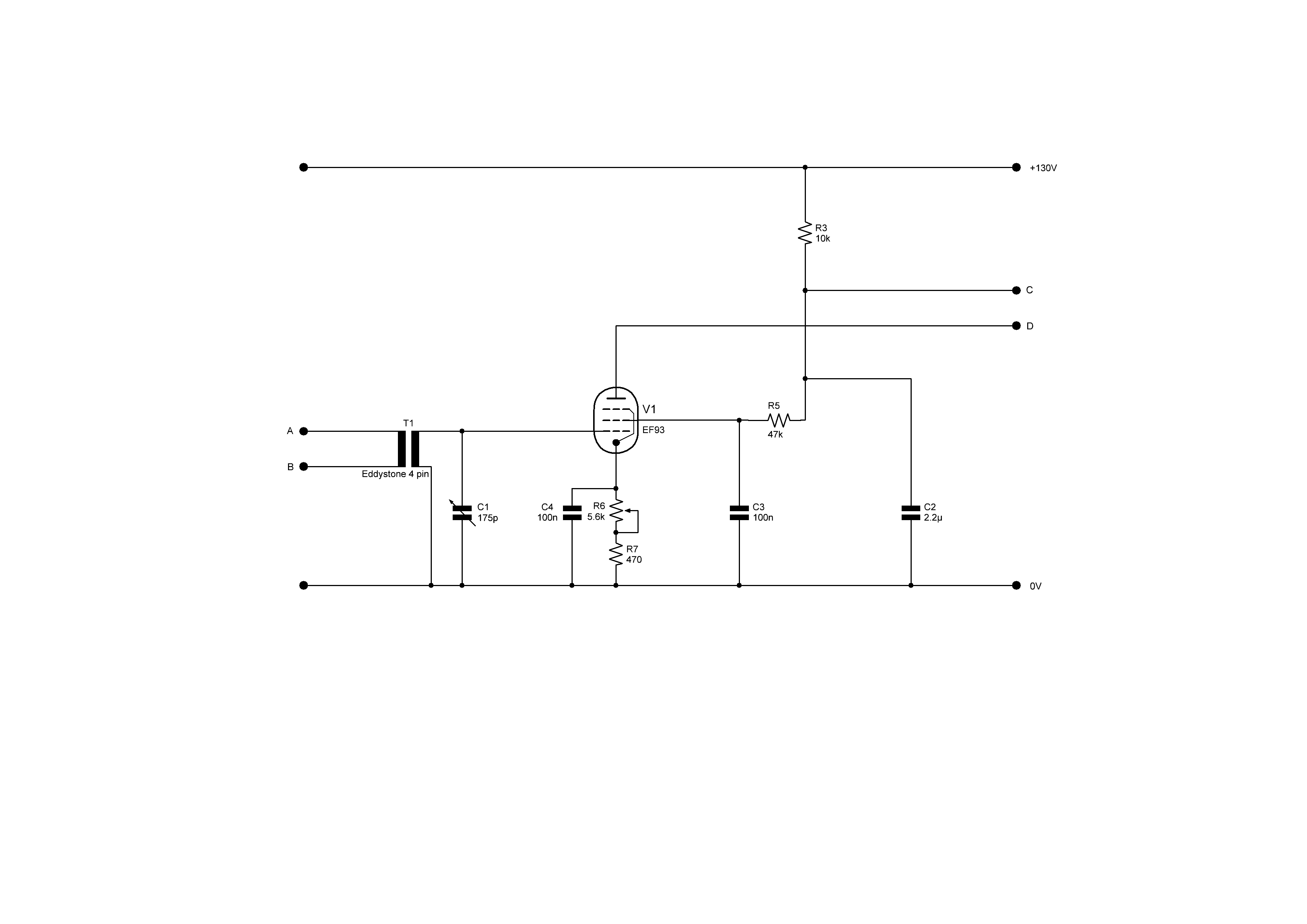
Radionic Regen Version 2


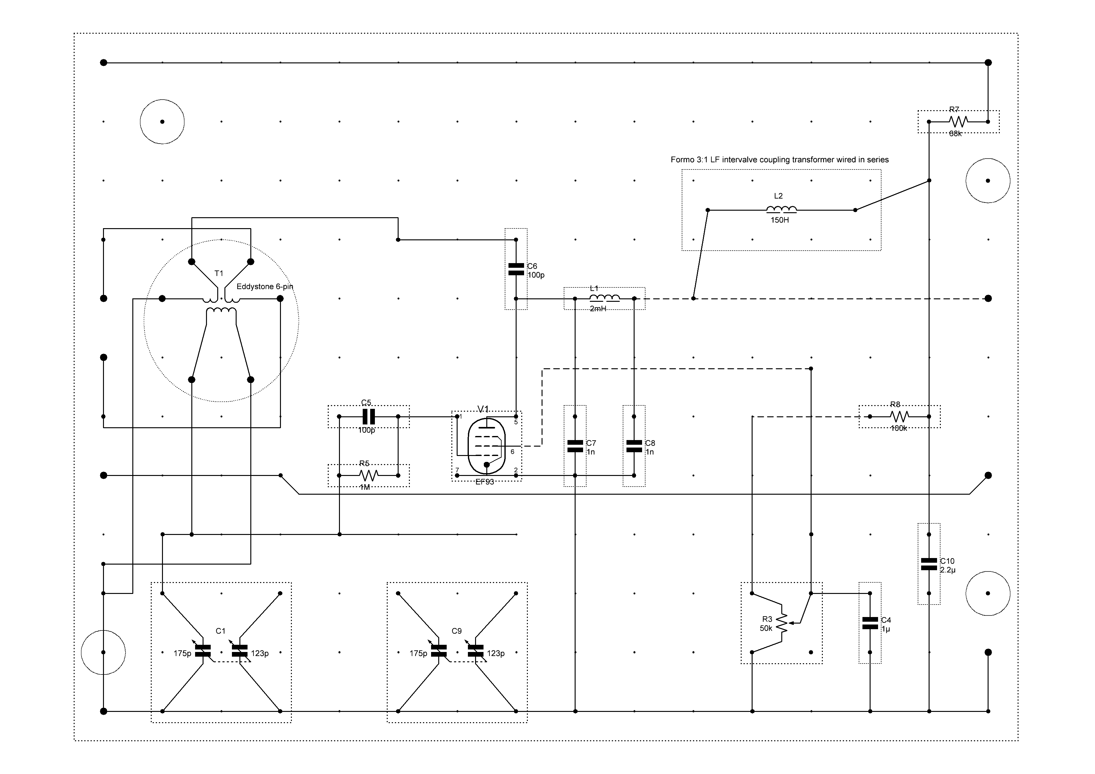
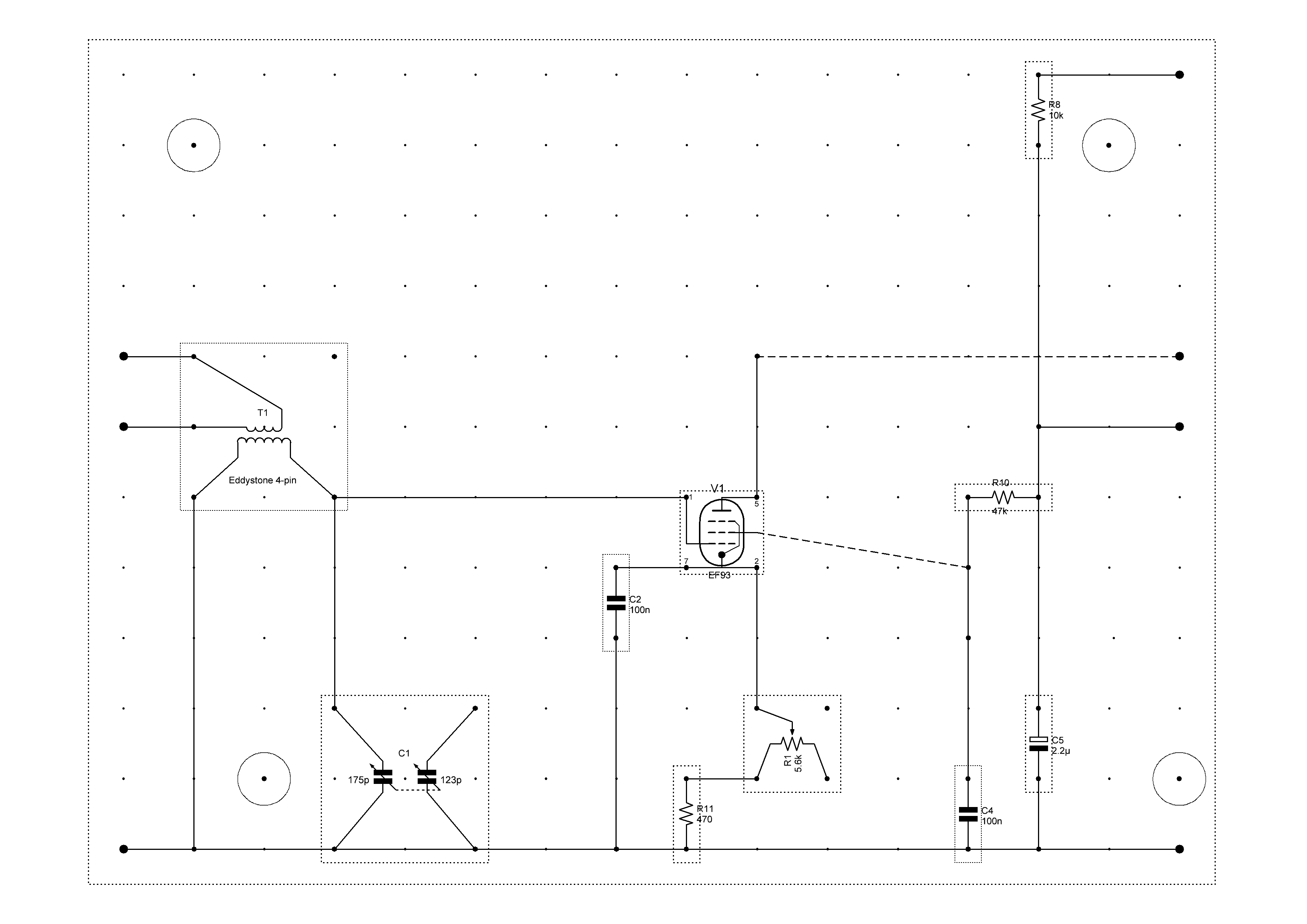
RS Universal Output Transformer