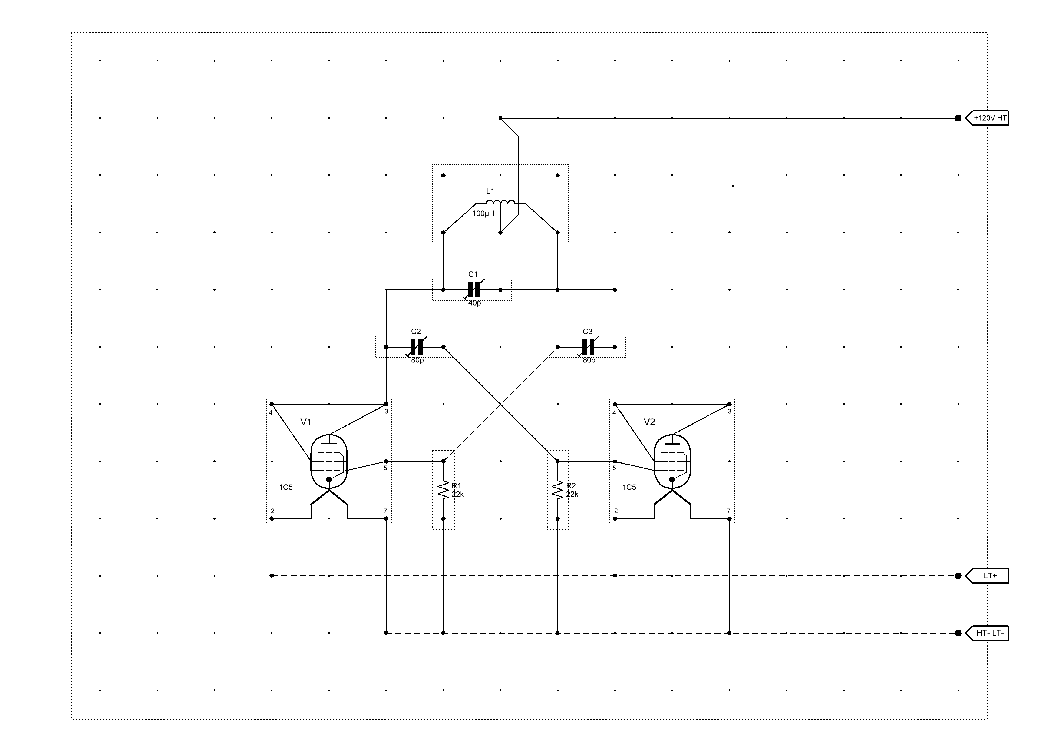
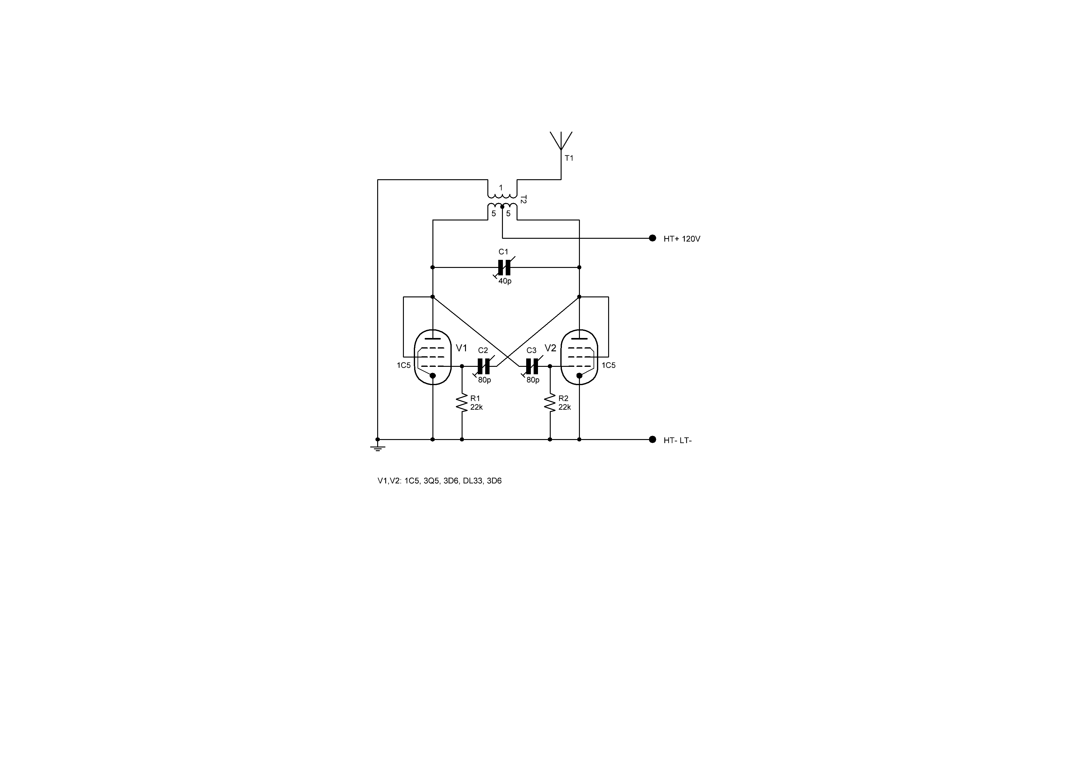
Radio Control Transmitter (27MHz)