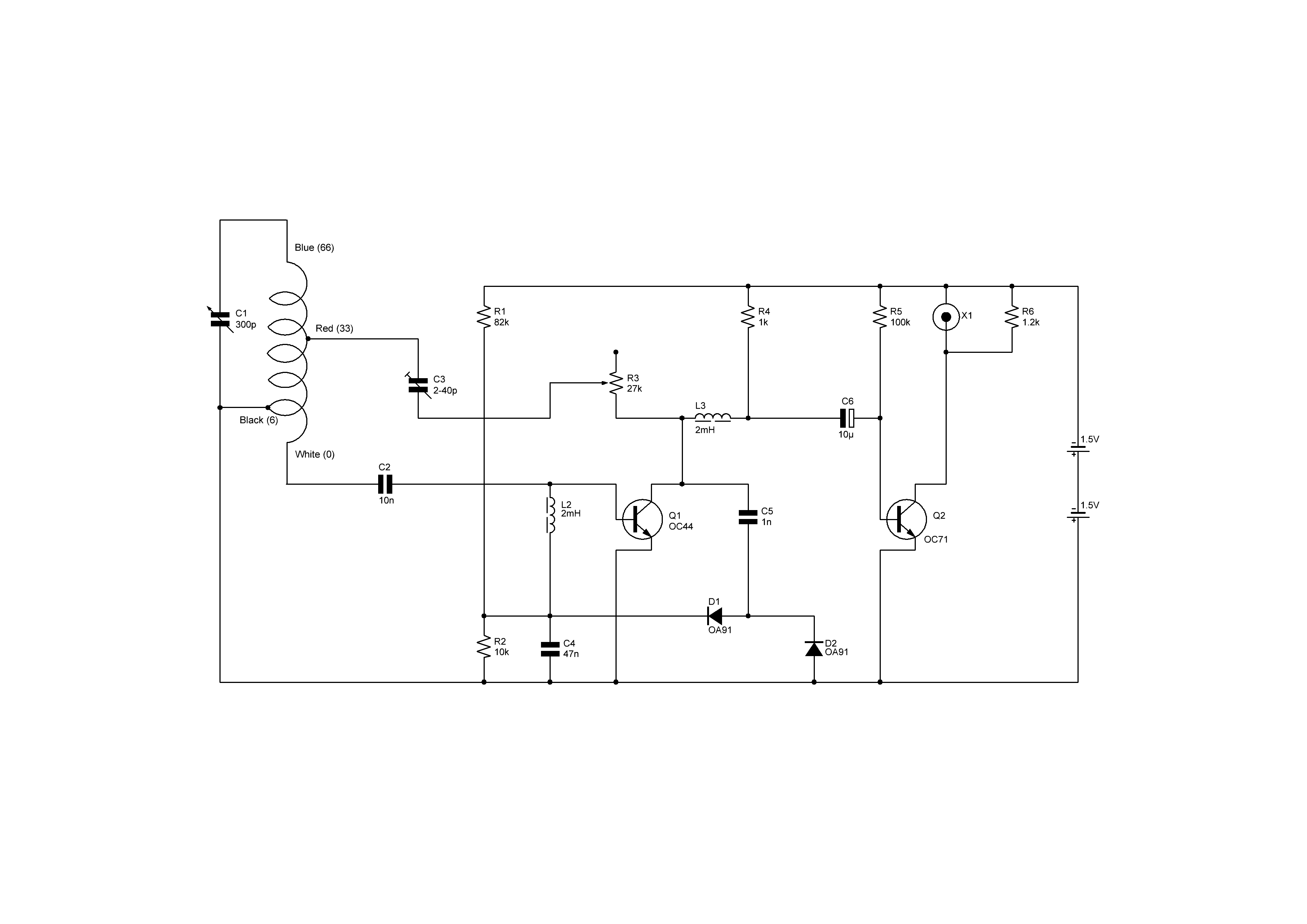
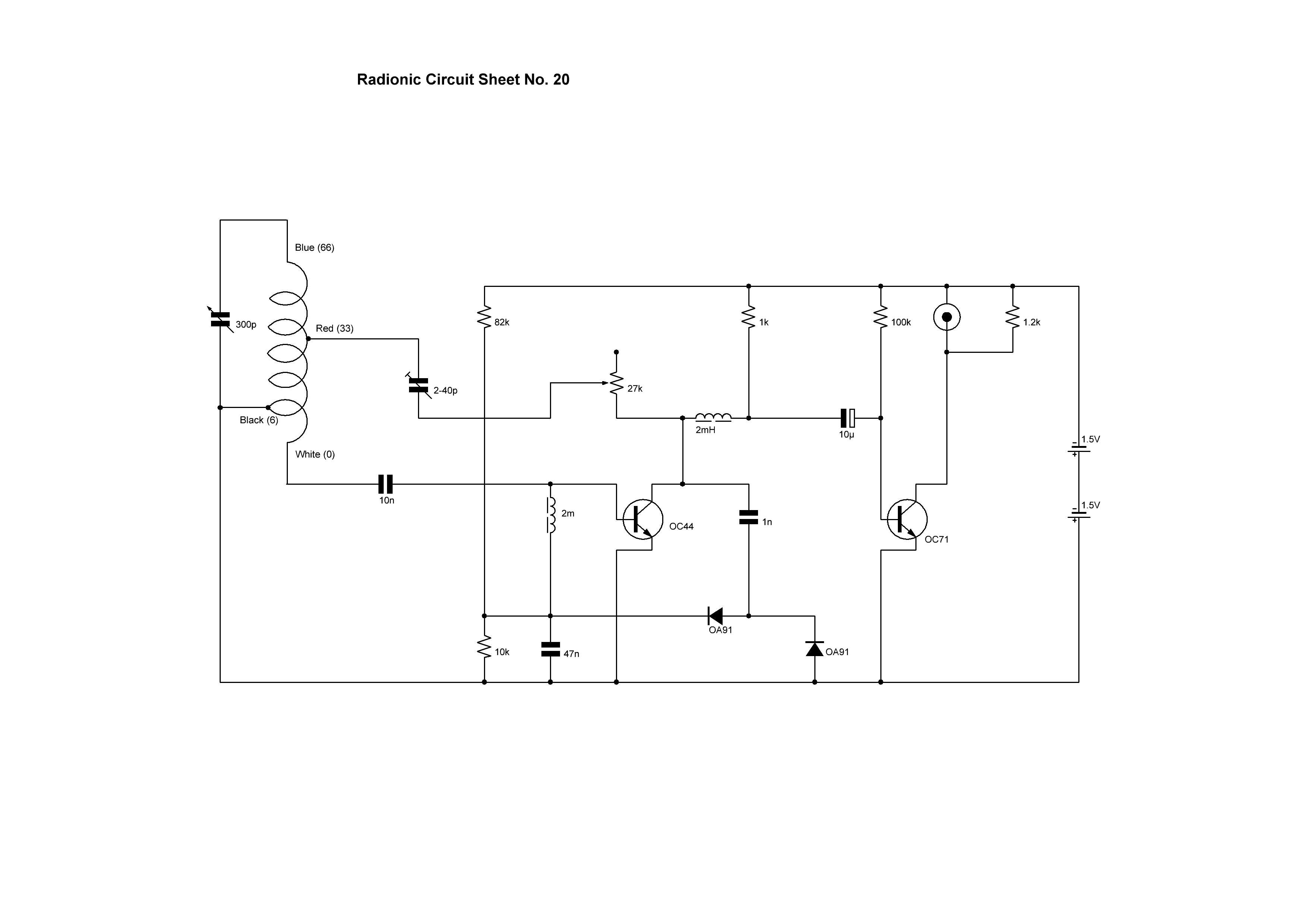
Radionic Circuit Sheet No. 20