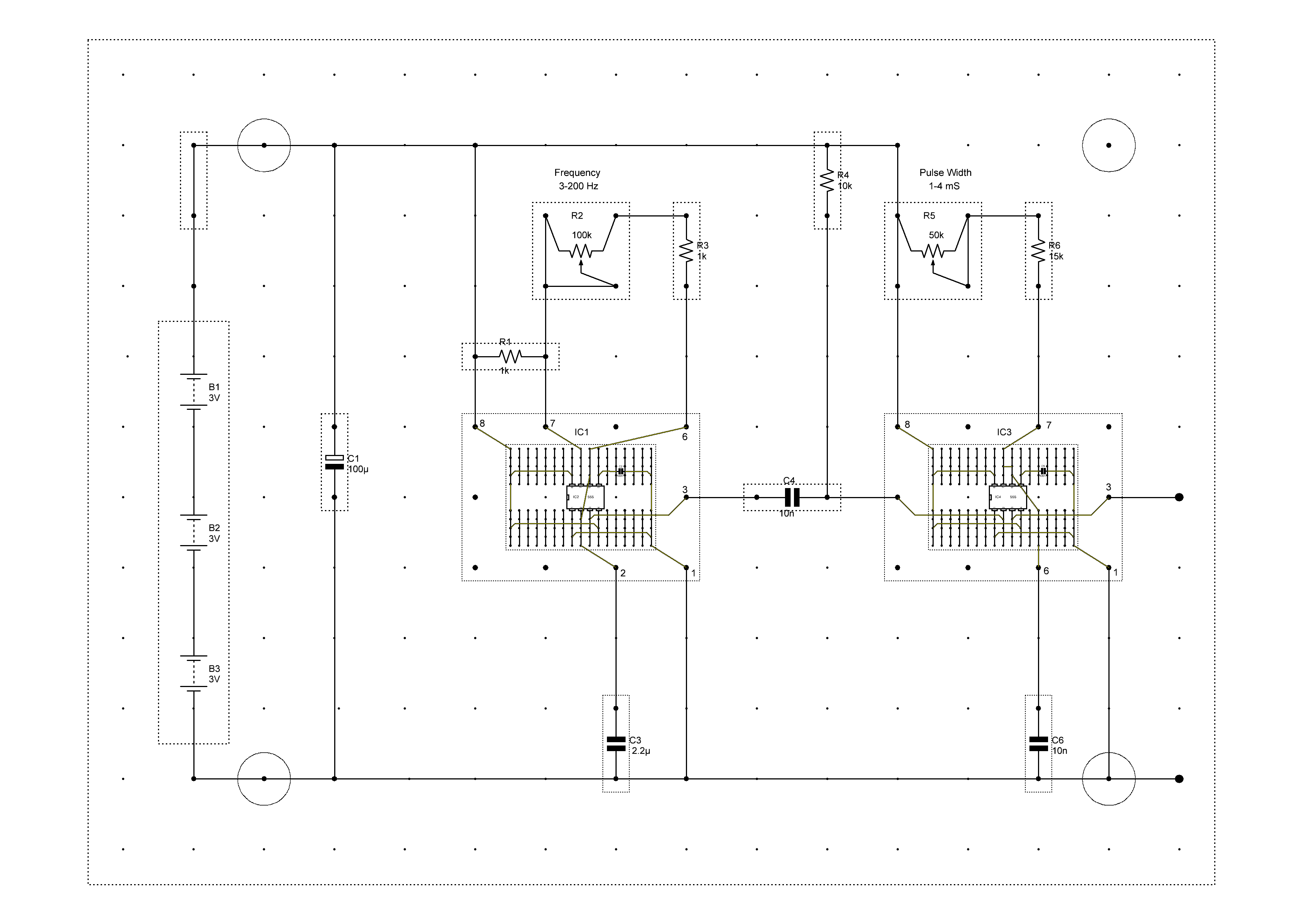
Pulse Generator