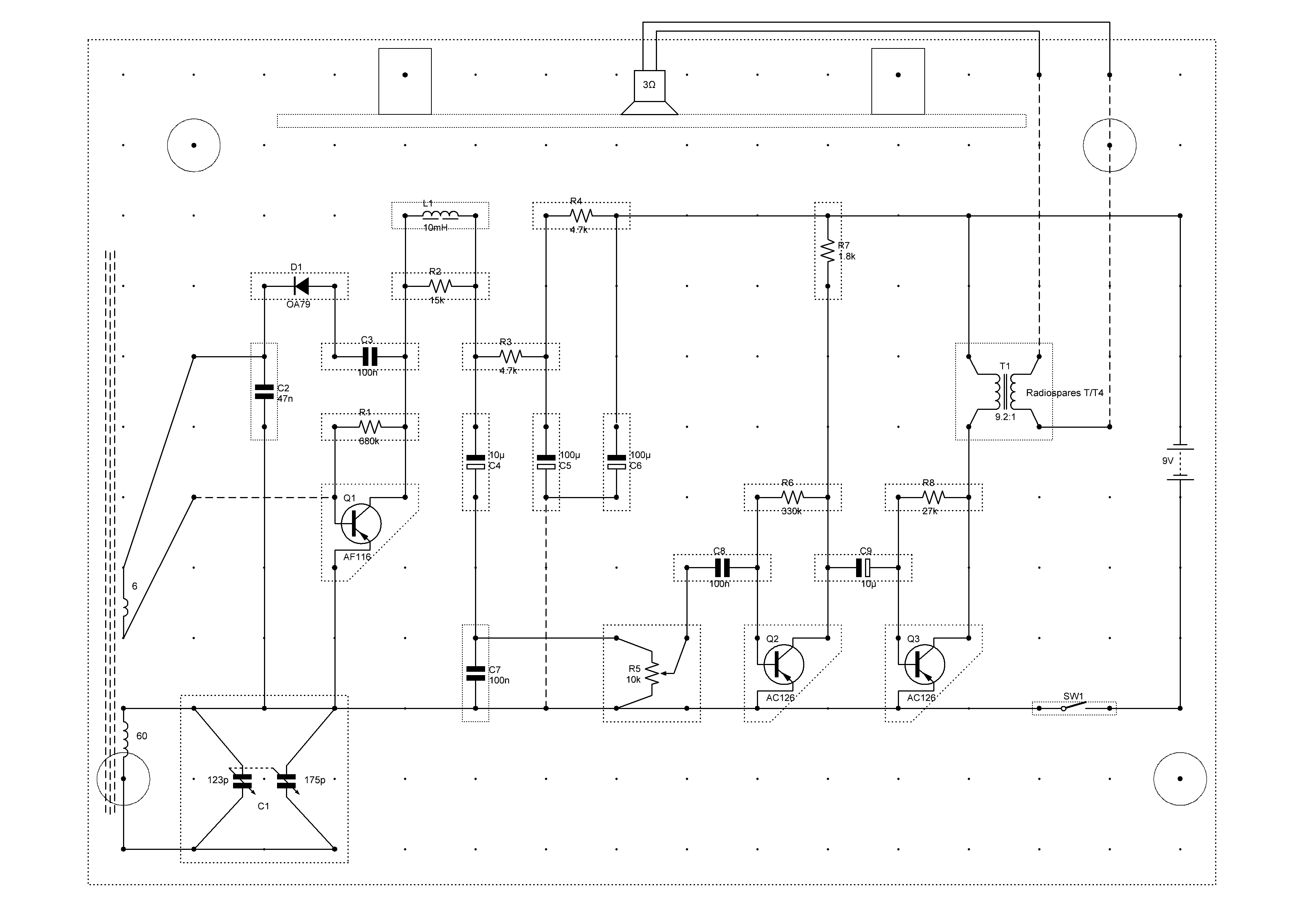
Philips EE20 C3

  • Radiospares Audio and IF Transformers (1967)