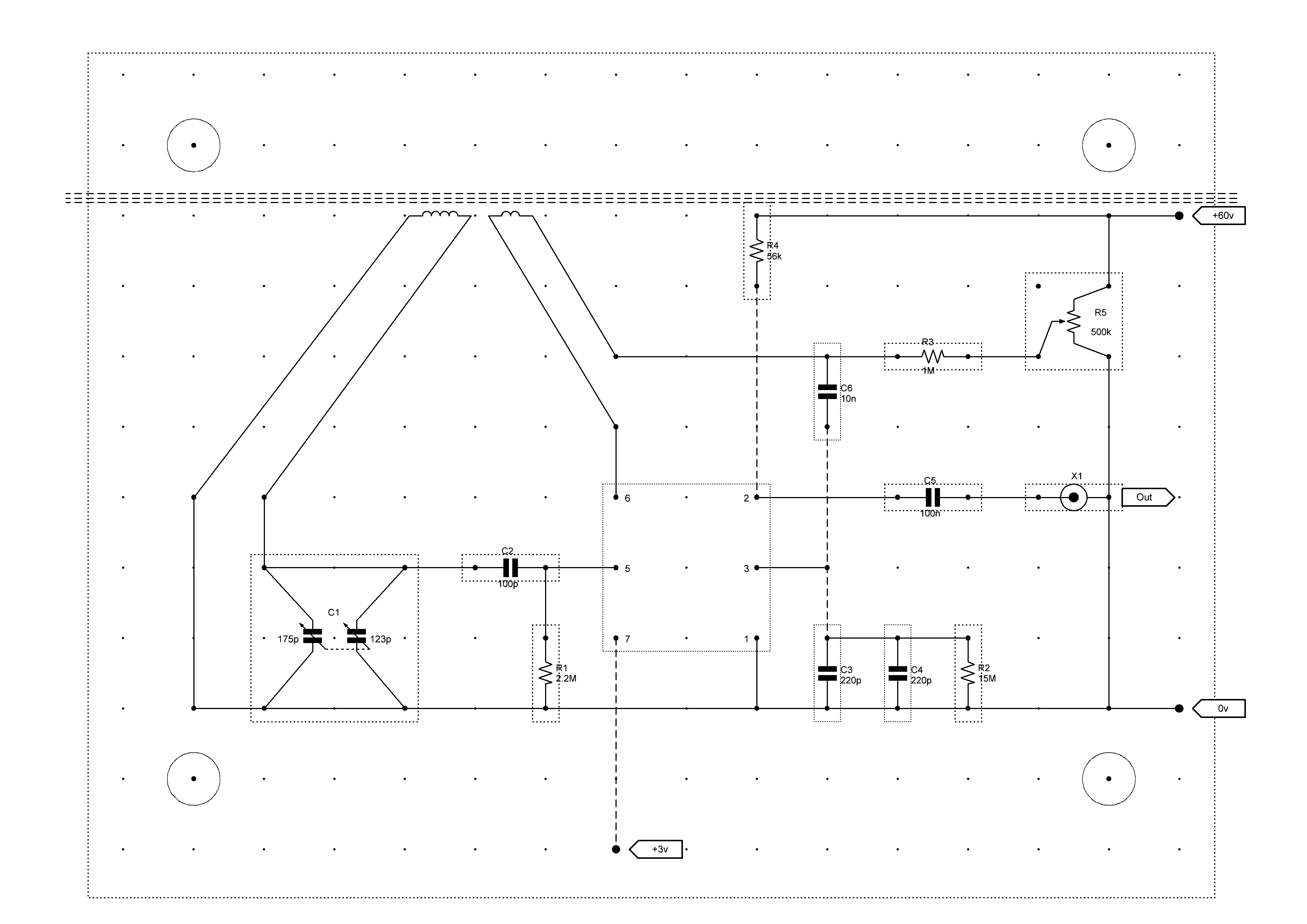
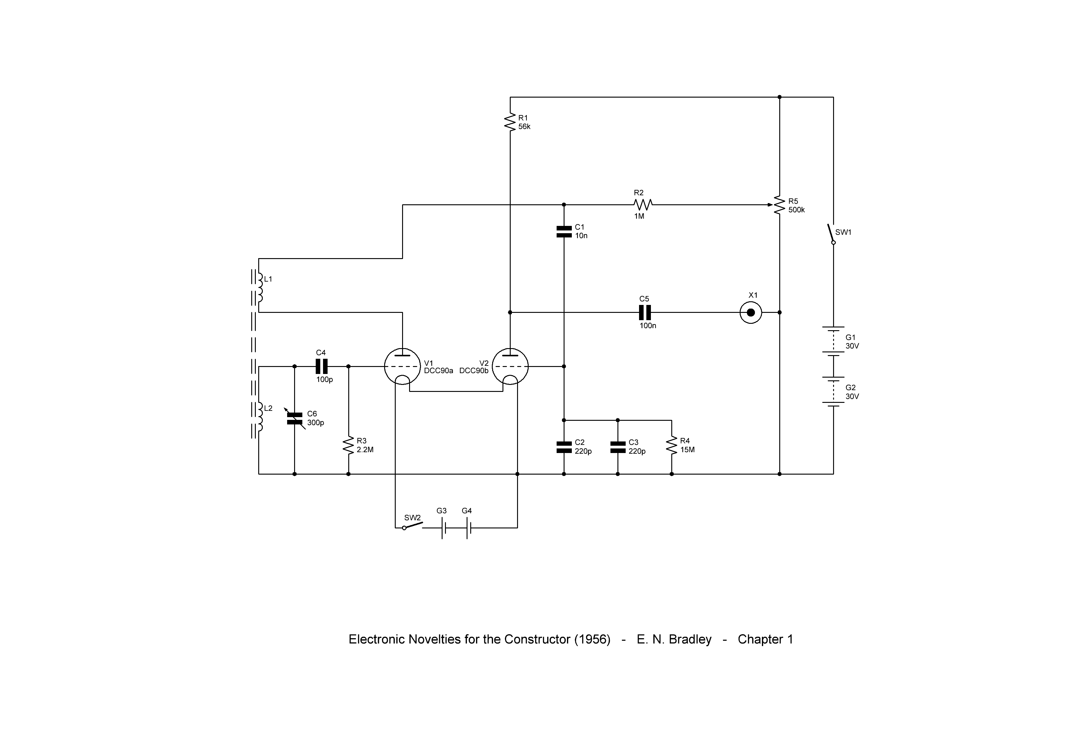
One Valve Radio