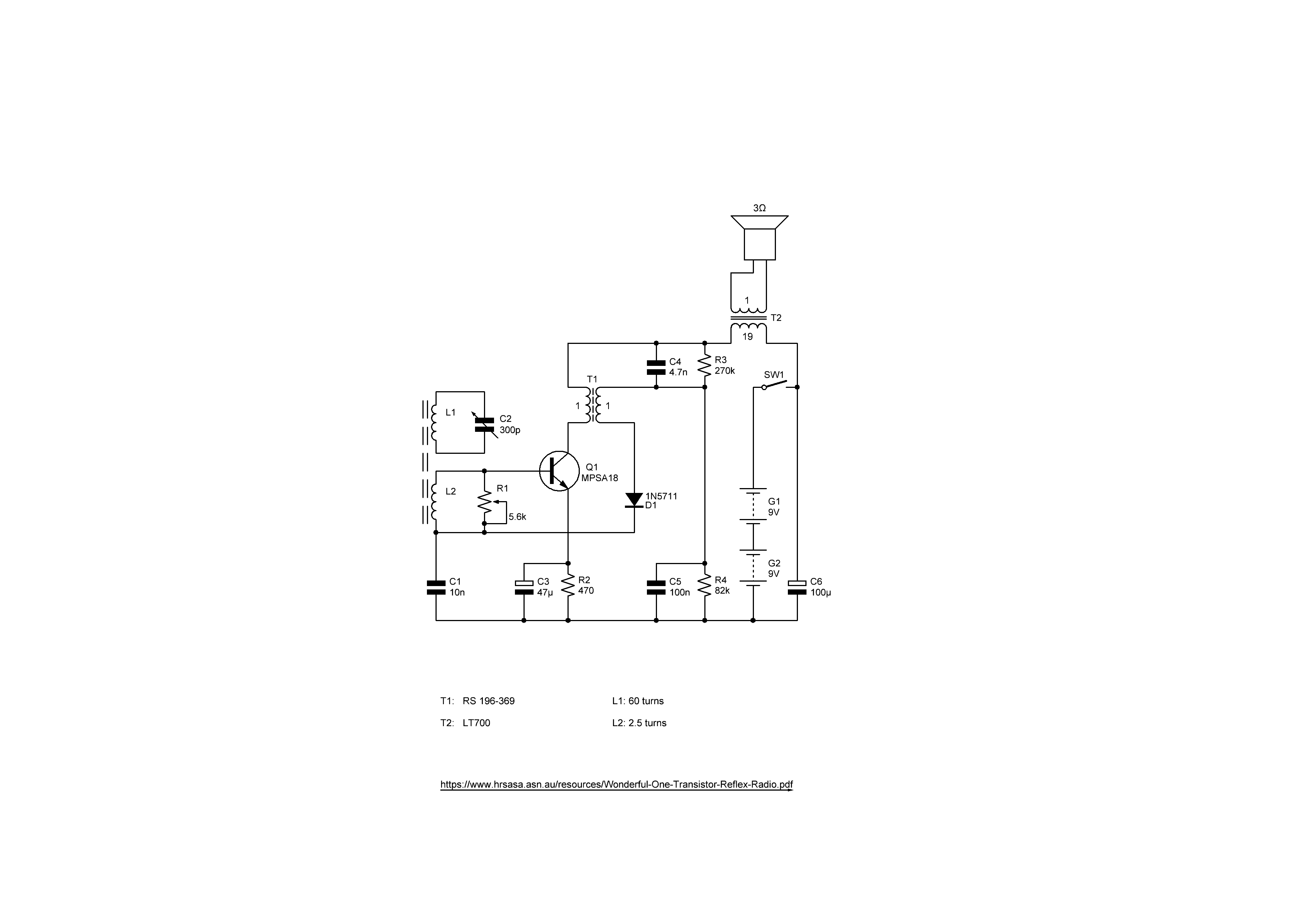
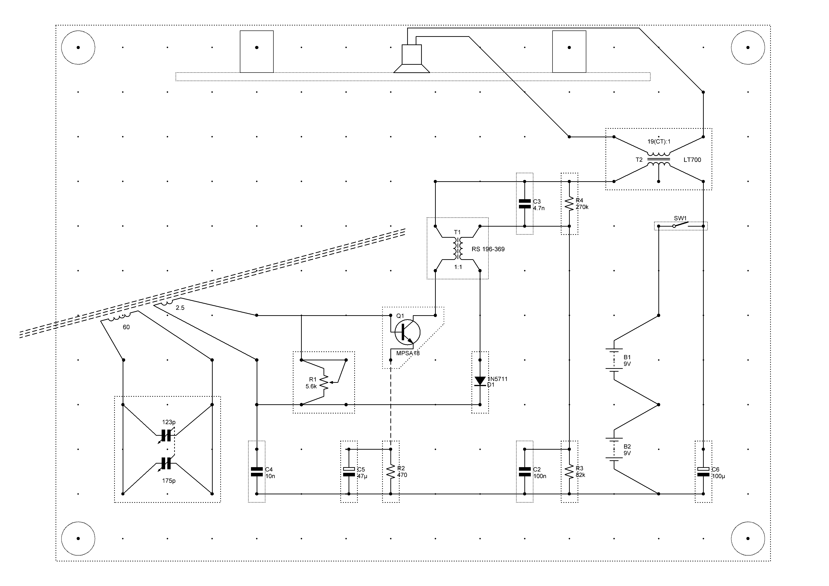
One Transistor Radio

OEP PT4 Pulse Transformer

LT700 Output Transformer