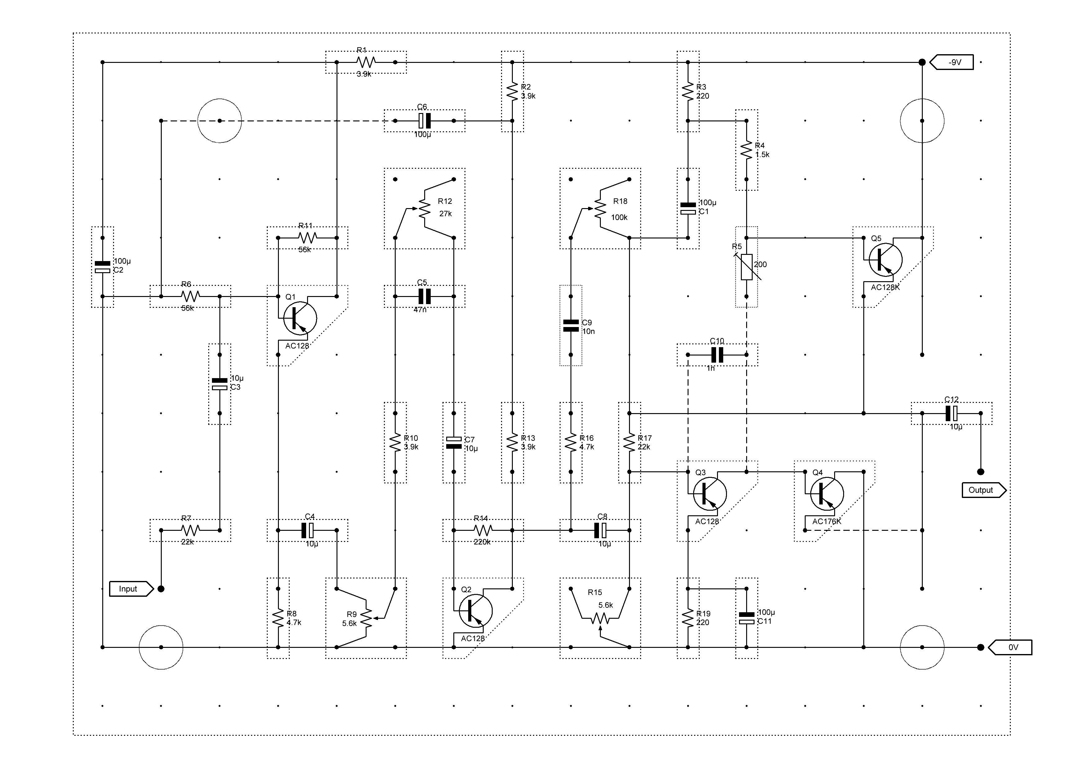
Radionic News Letter Amplifier

The Original Radionic News Letter