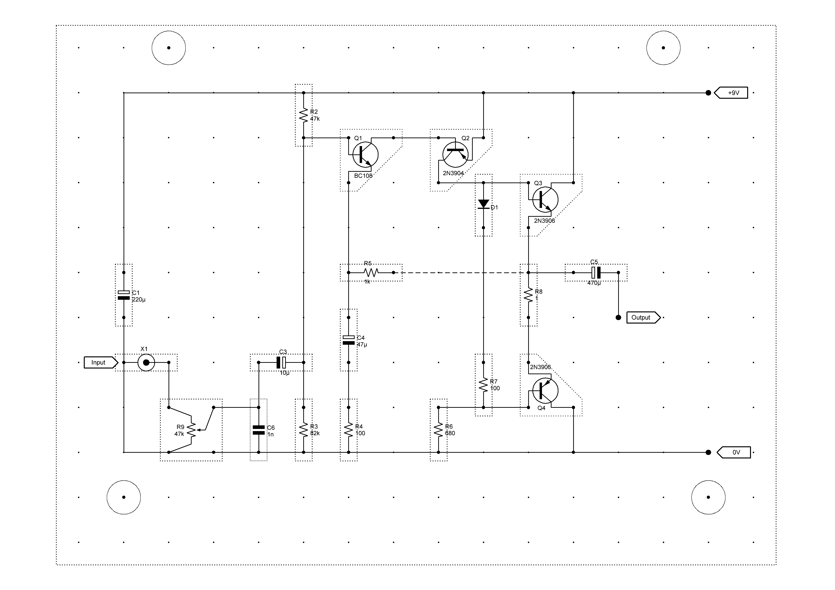
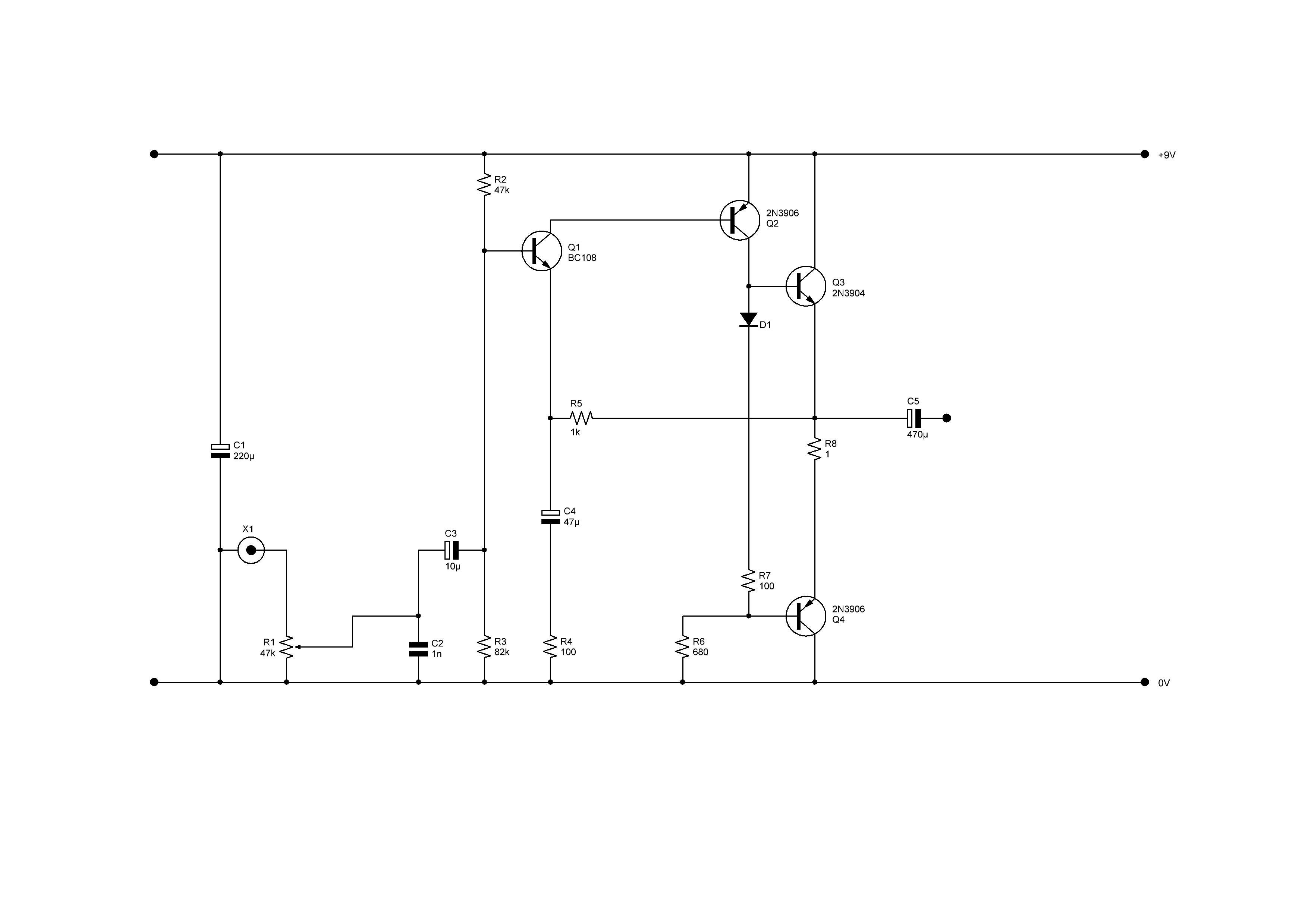
Low Power Amplifier