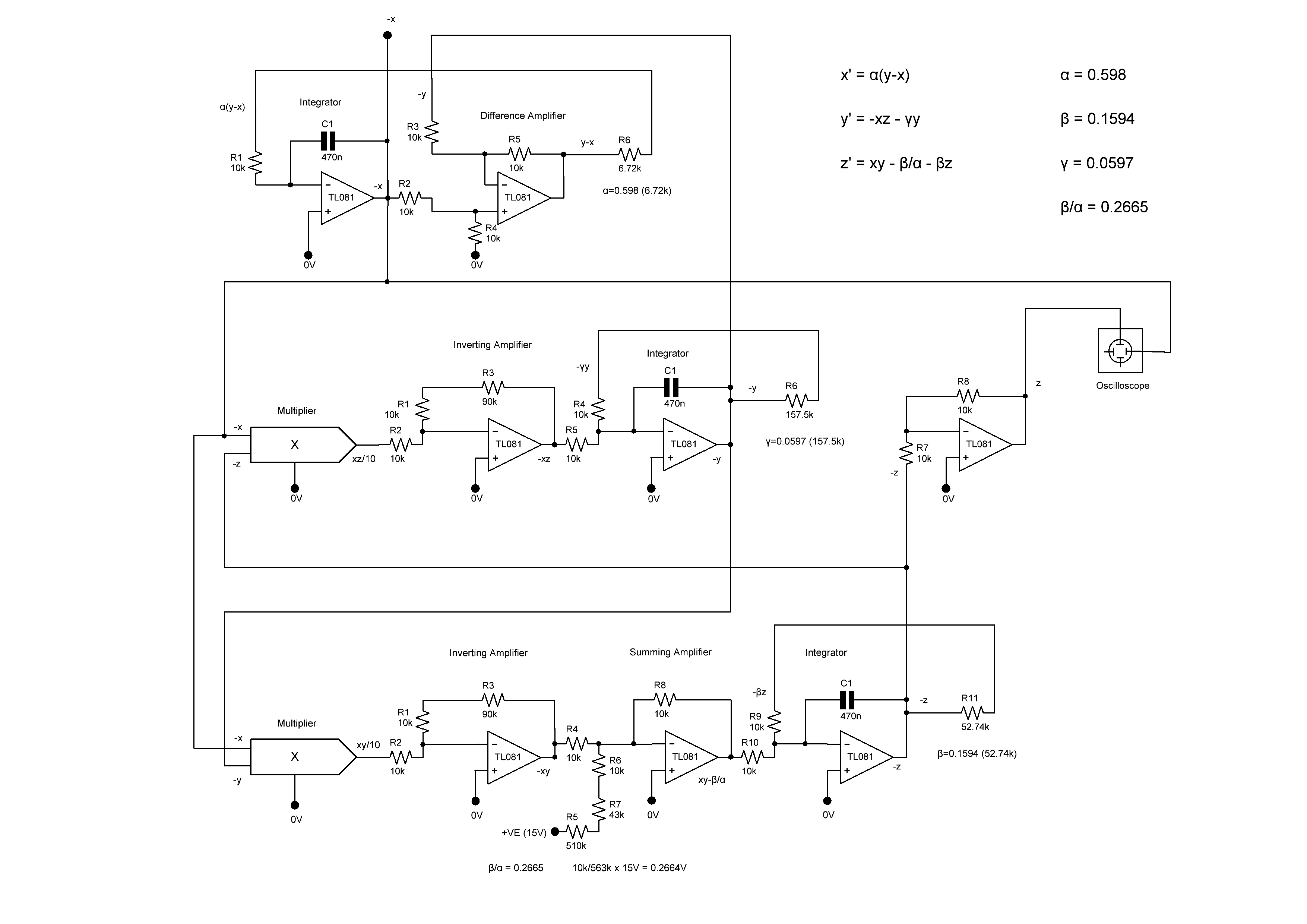
Lorenz attractor using Unilab System Alpha

Analogue computer made using Unilab system alpha implementing the Lorenz system to generate an attractor display.

A useful overview of the Lorenz equations can be found in Wikipedia:

Lorenz Equations

Here I have used a linear transformation of the original equations picked up from:

Self Propelled Flowers

... and indirectly from:

Sprott, J. C., 'Simplifications of the Lorenz Attractor', Nonlinear Dynamics, Psychology, and Life Sciences, 2009, Vol. 13, No. 3, pp. 217 - 278.

The Lorenz attractor can be implemented on a digital computer, but arguably a more appealing solution is to use analogue computing techniques and map the equations directly onto hardware. I've used the Unilab system alpha modular electronics experimentation system to construct a realisation of the differential equations. Unilab never supplied a multiplier or an integrator so the multipliers are custom built modules and the integrators are tweaked summers. The output display has been chosen to show the Lorenz "butterfly" (on a late sixties Tektronix 453).