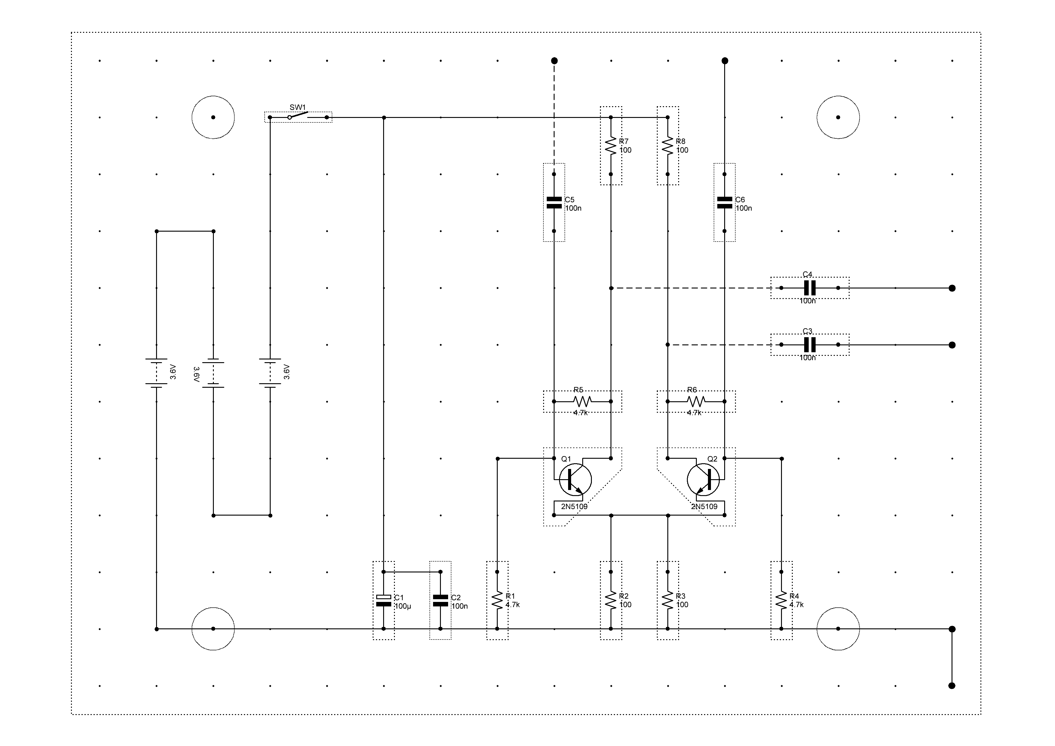
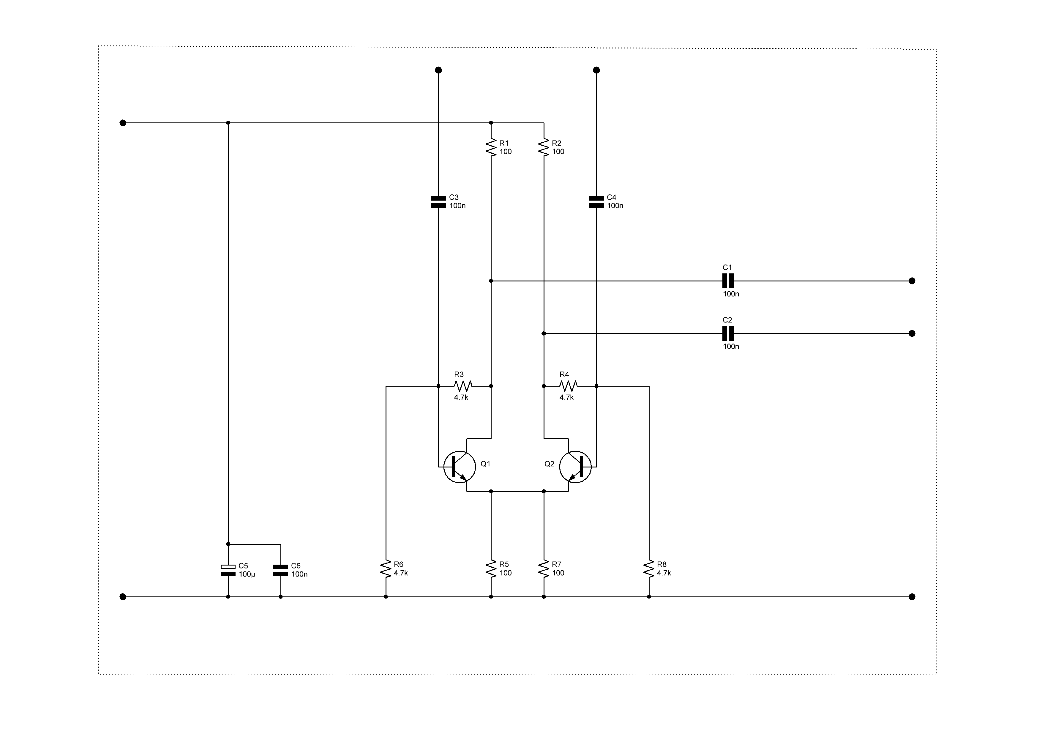
Magnetic Loop Pre-Amplifier