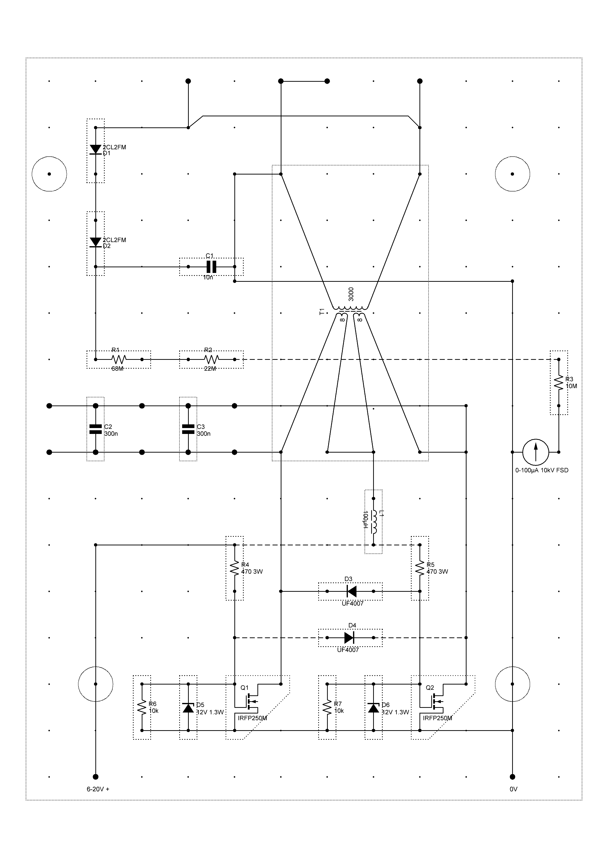
High Voltage AC PSU

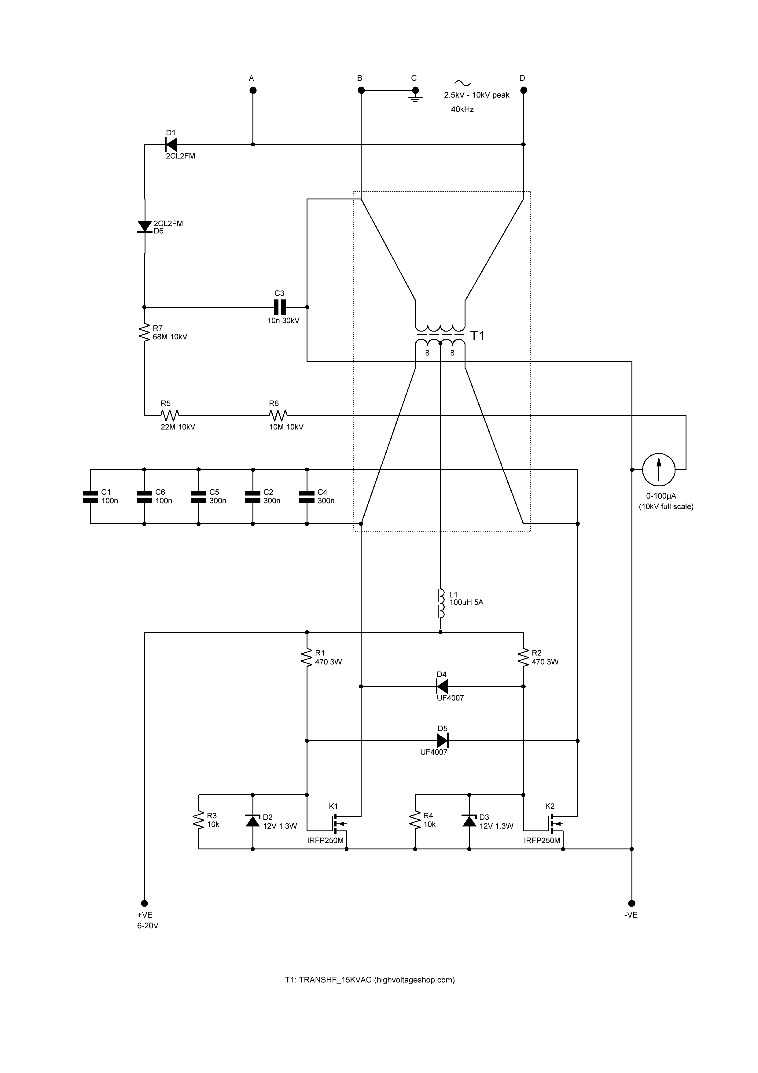
HF HV Transformer