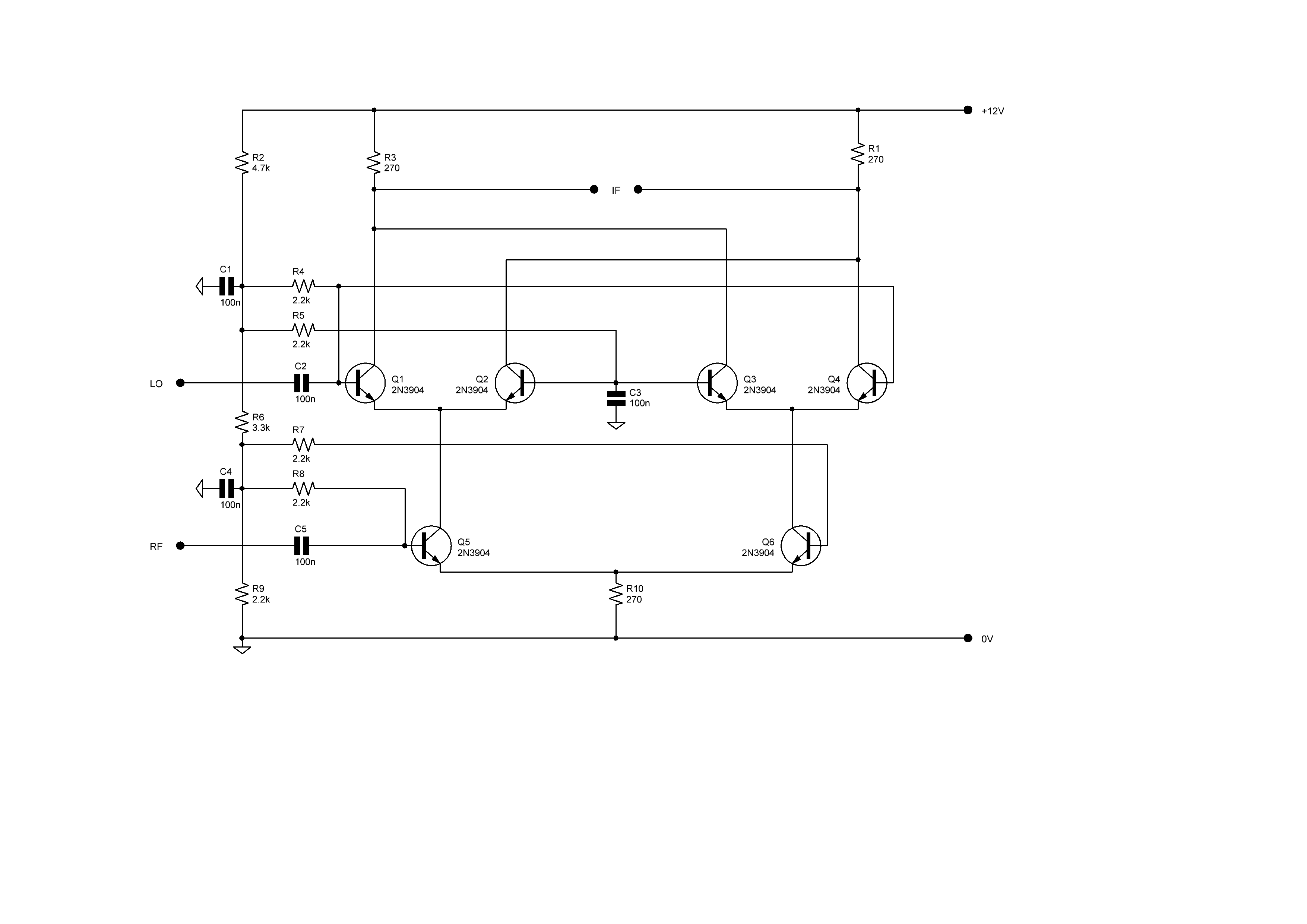
Gilbert Cell Mixer