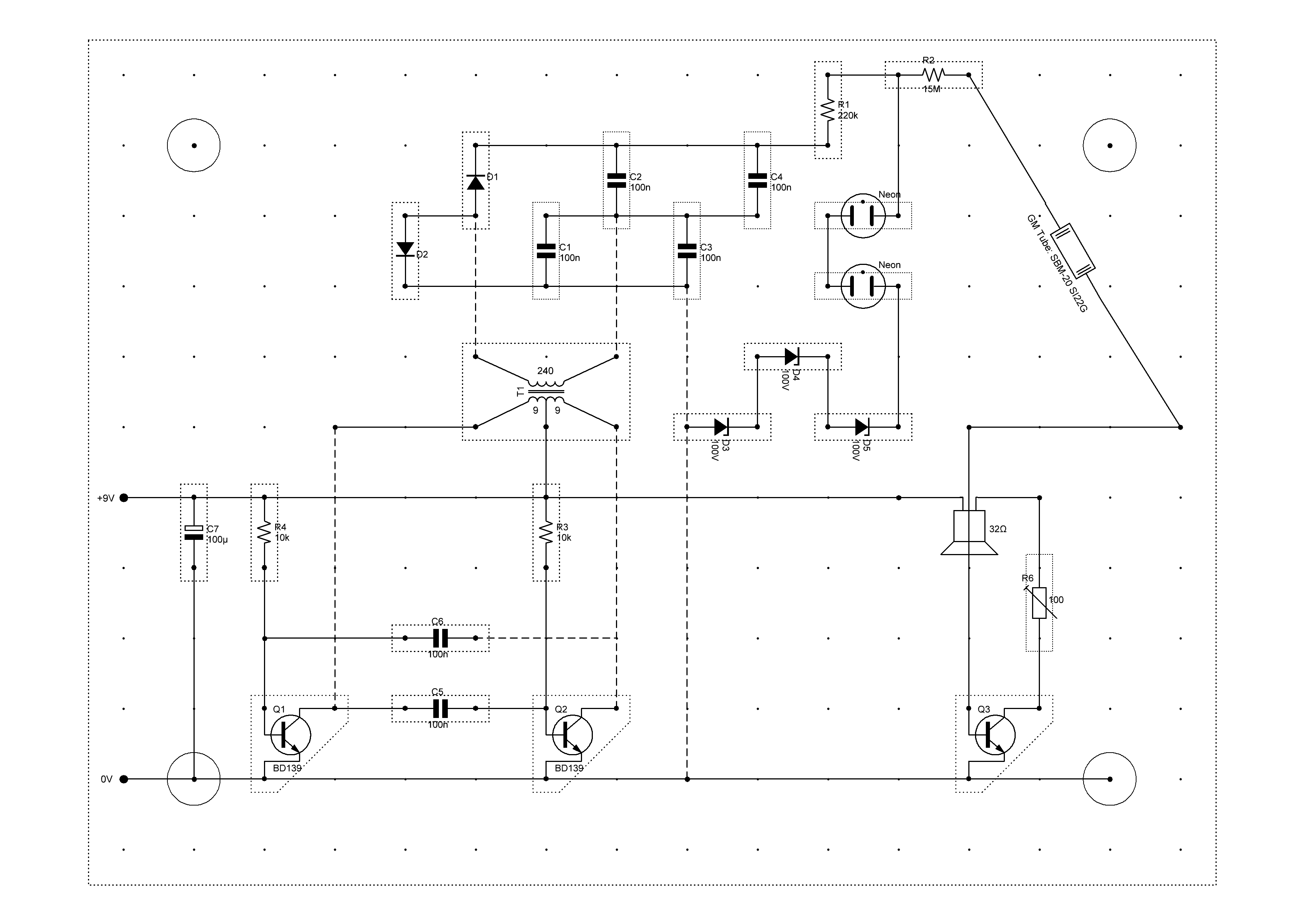
Geiger Counter Version 1