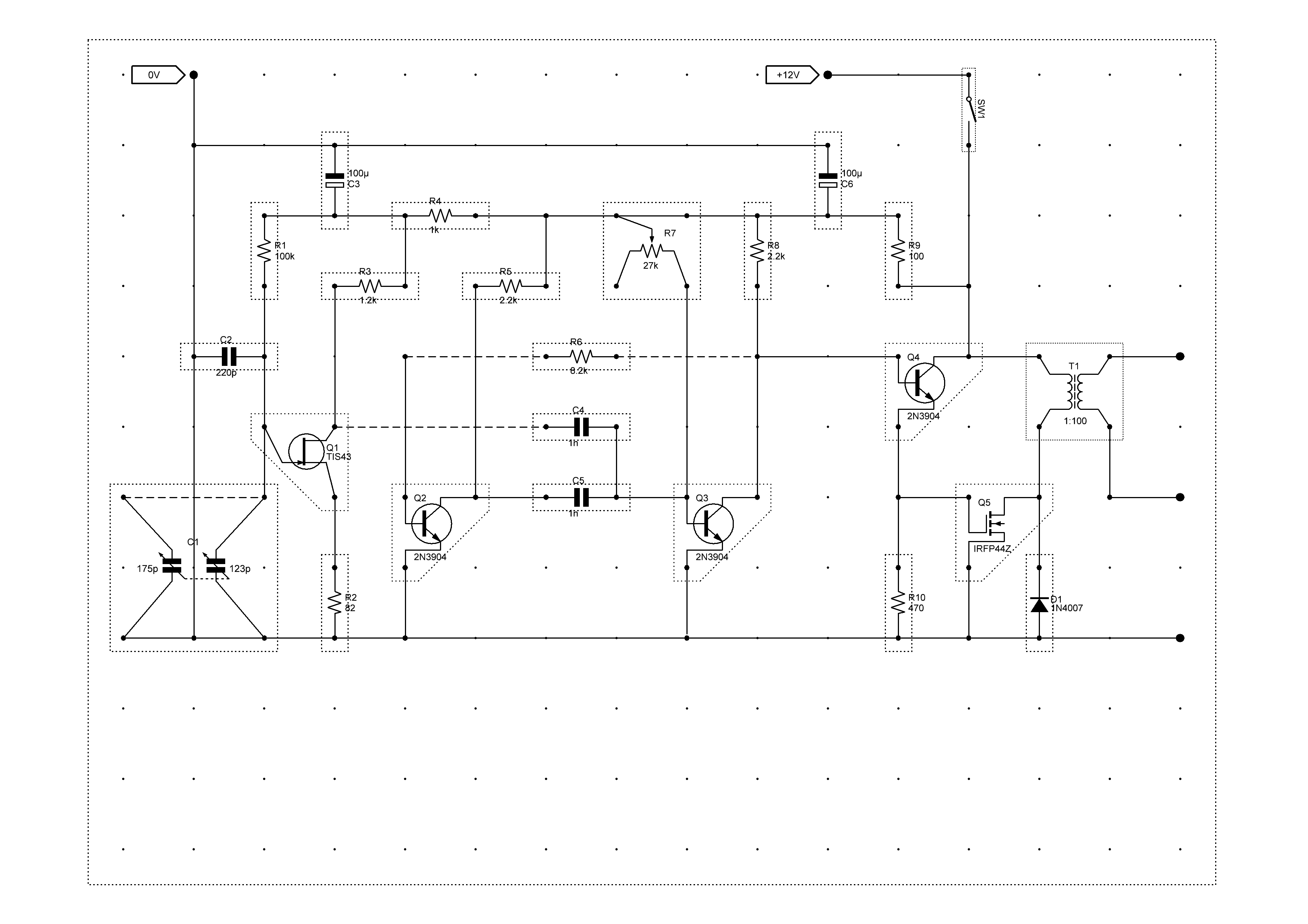
EHT Generator