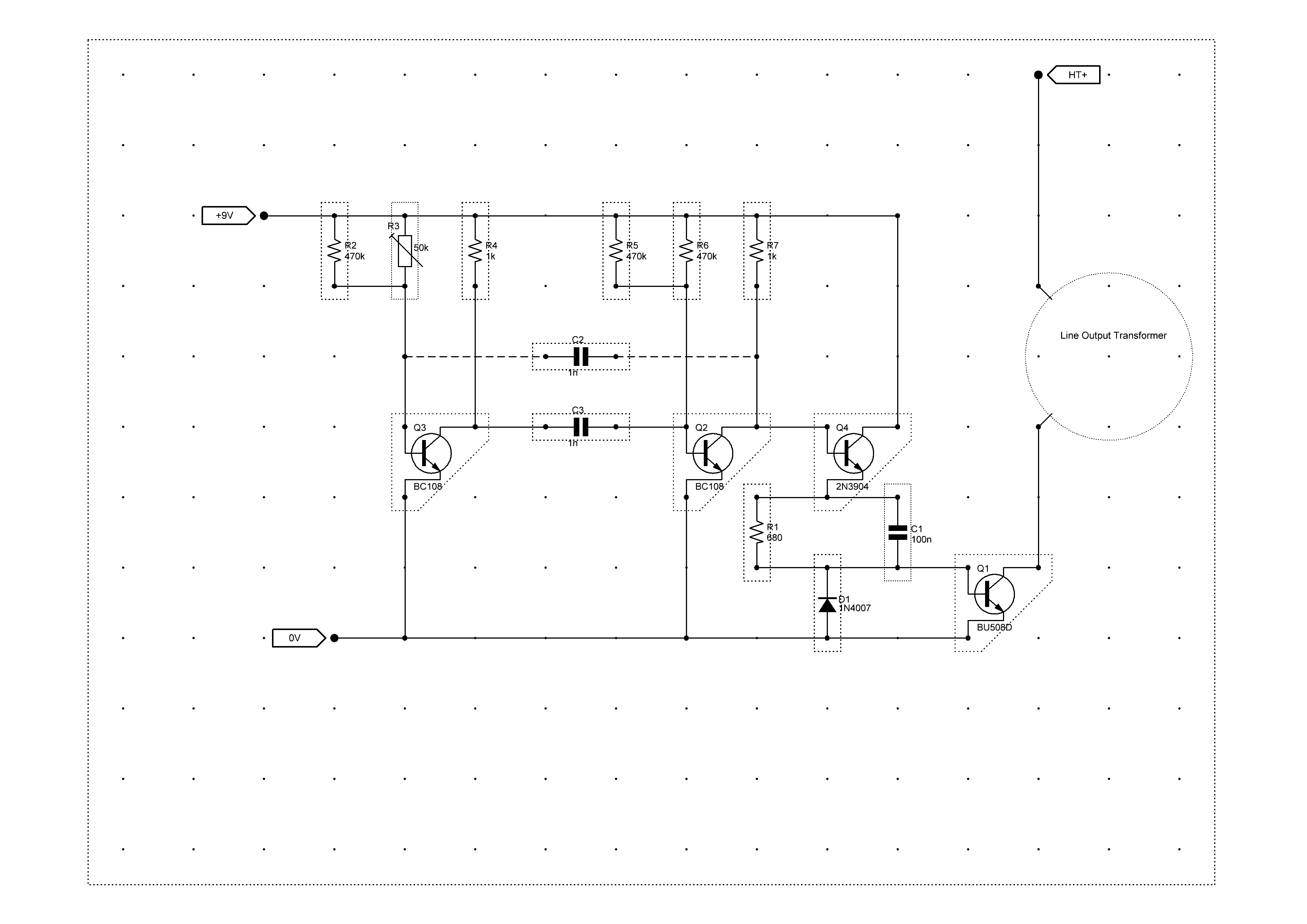
EHT Generator Version 1