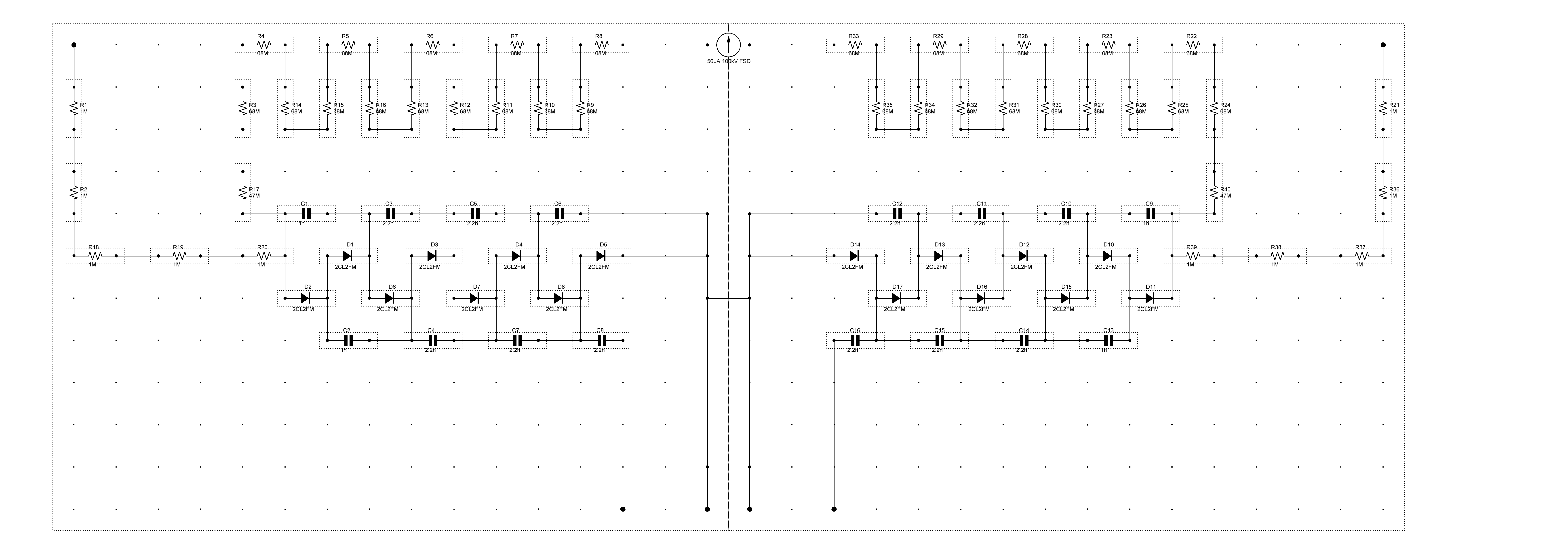
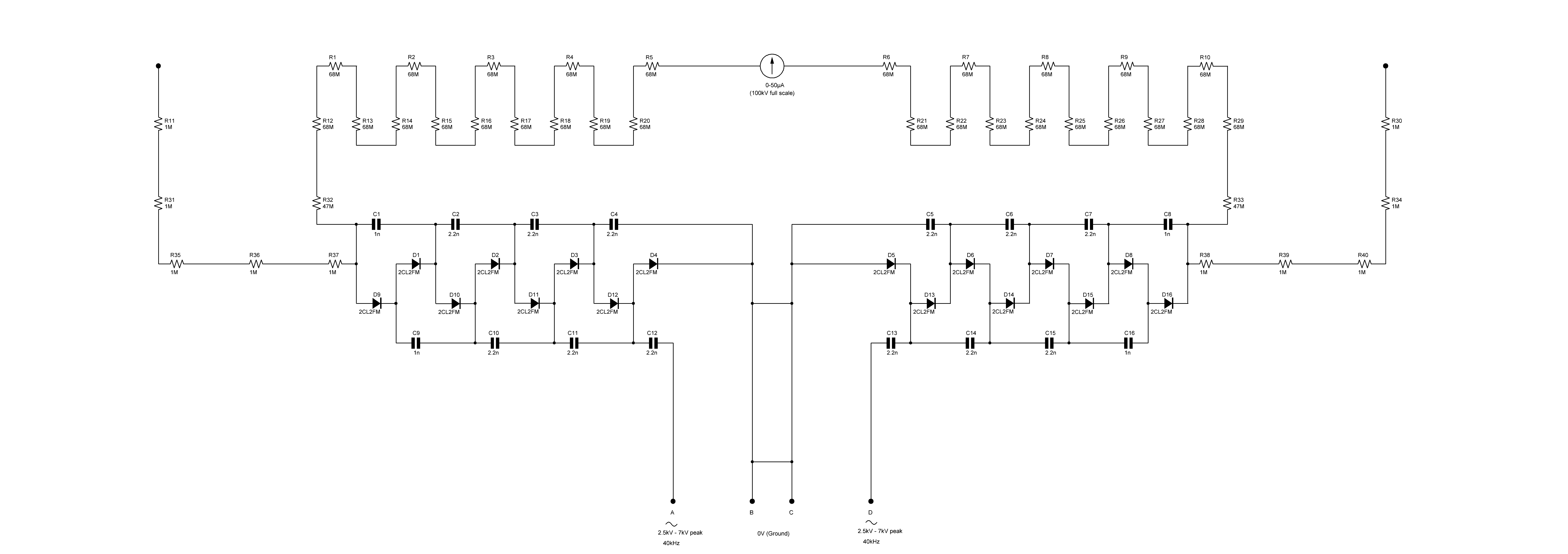
Cockcroft-Walton Voltage Multiplier #2