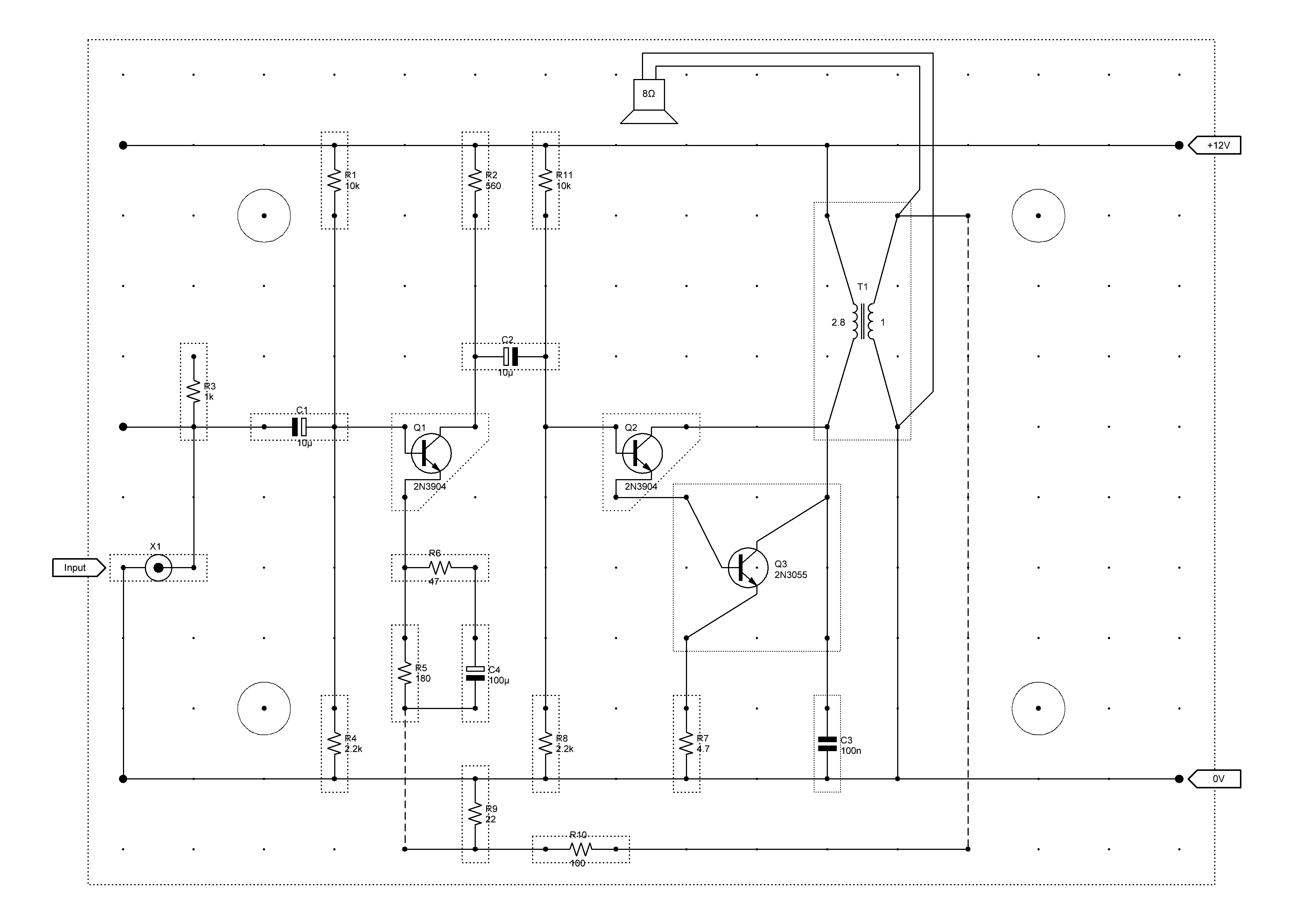
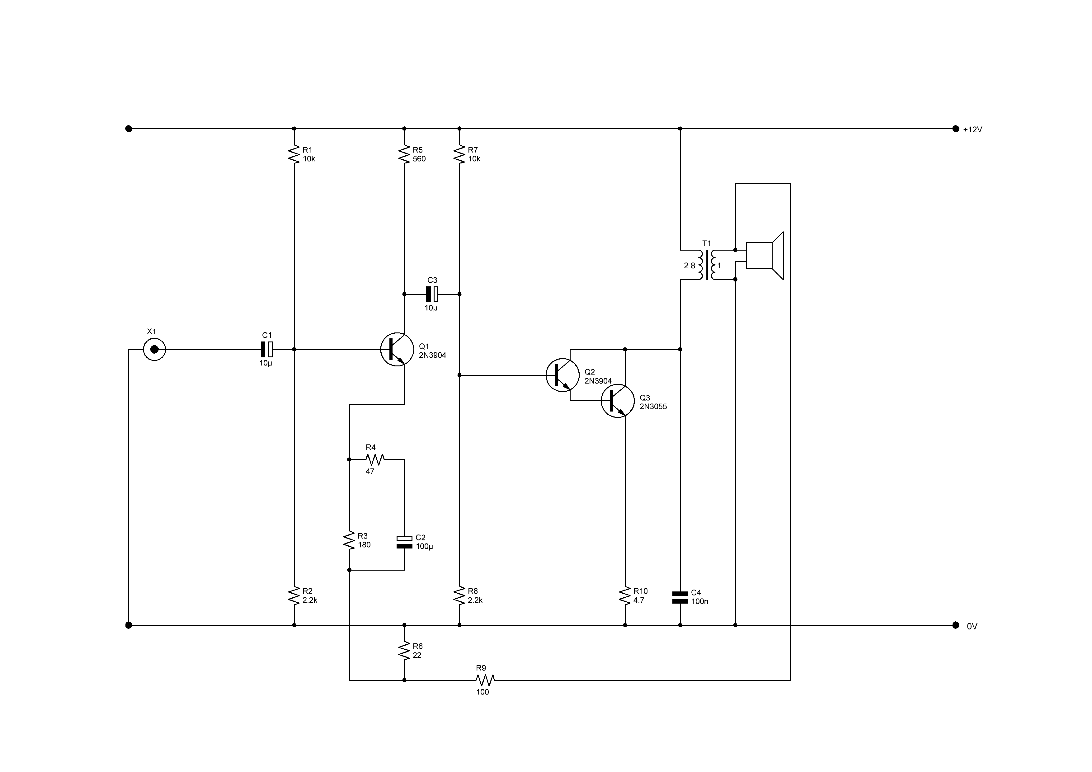
12V Class A Amplifier