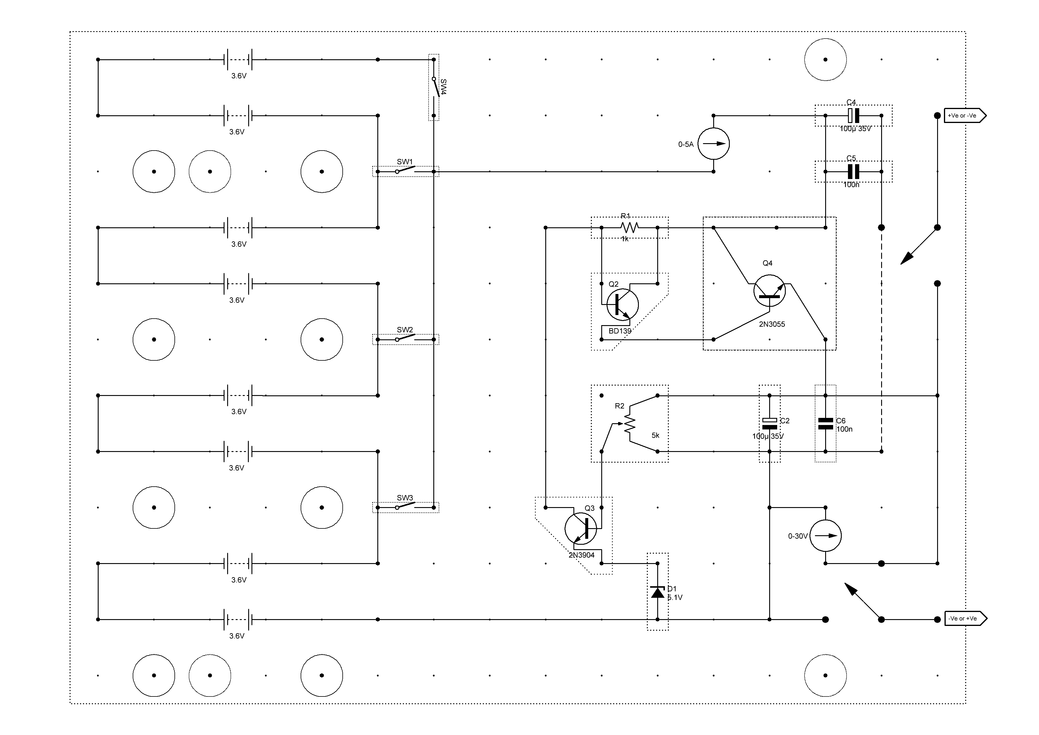
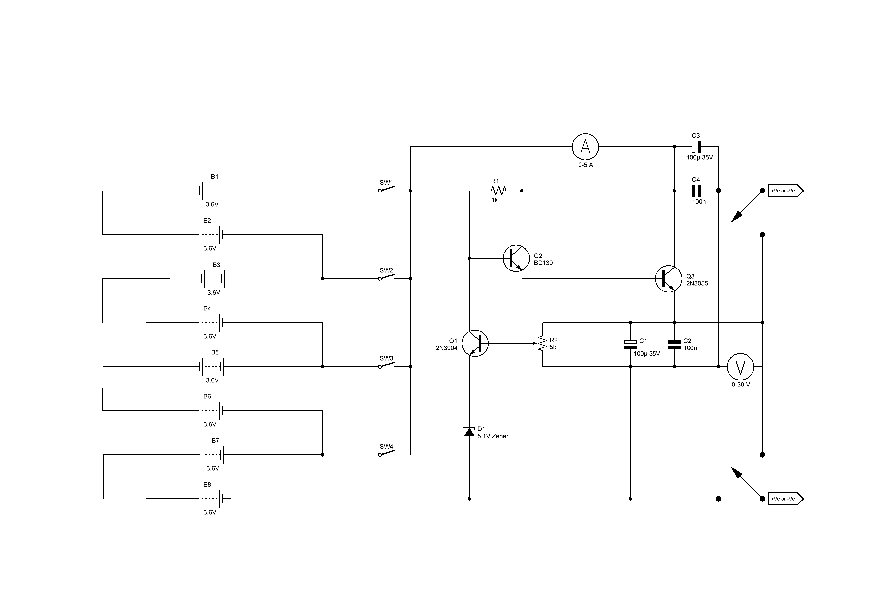
Battery LT PSU