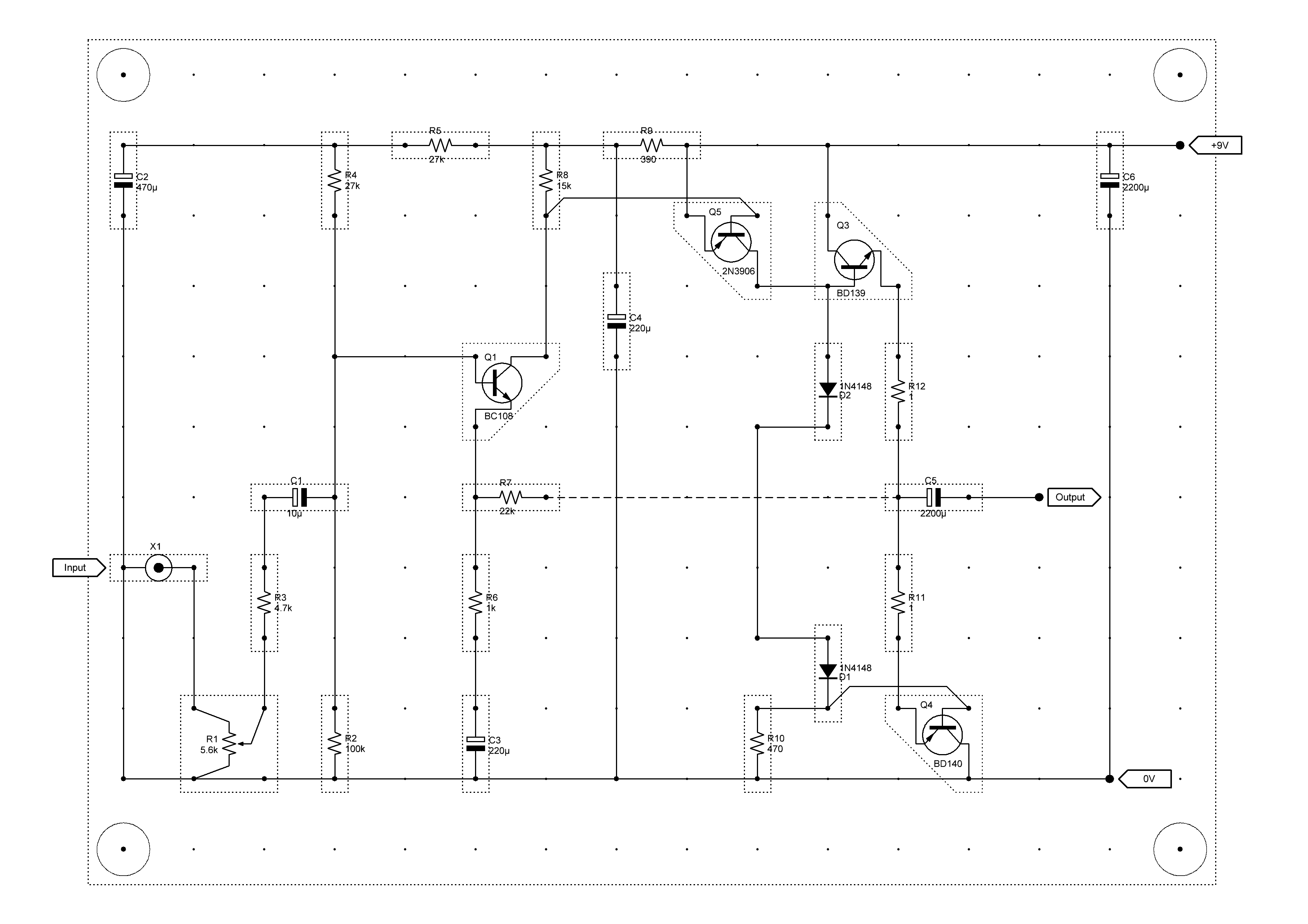
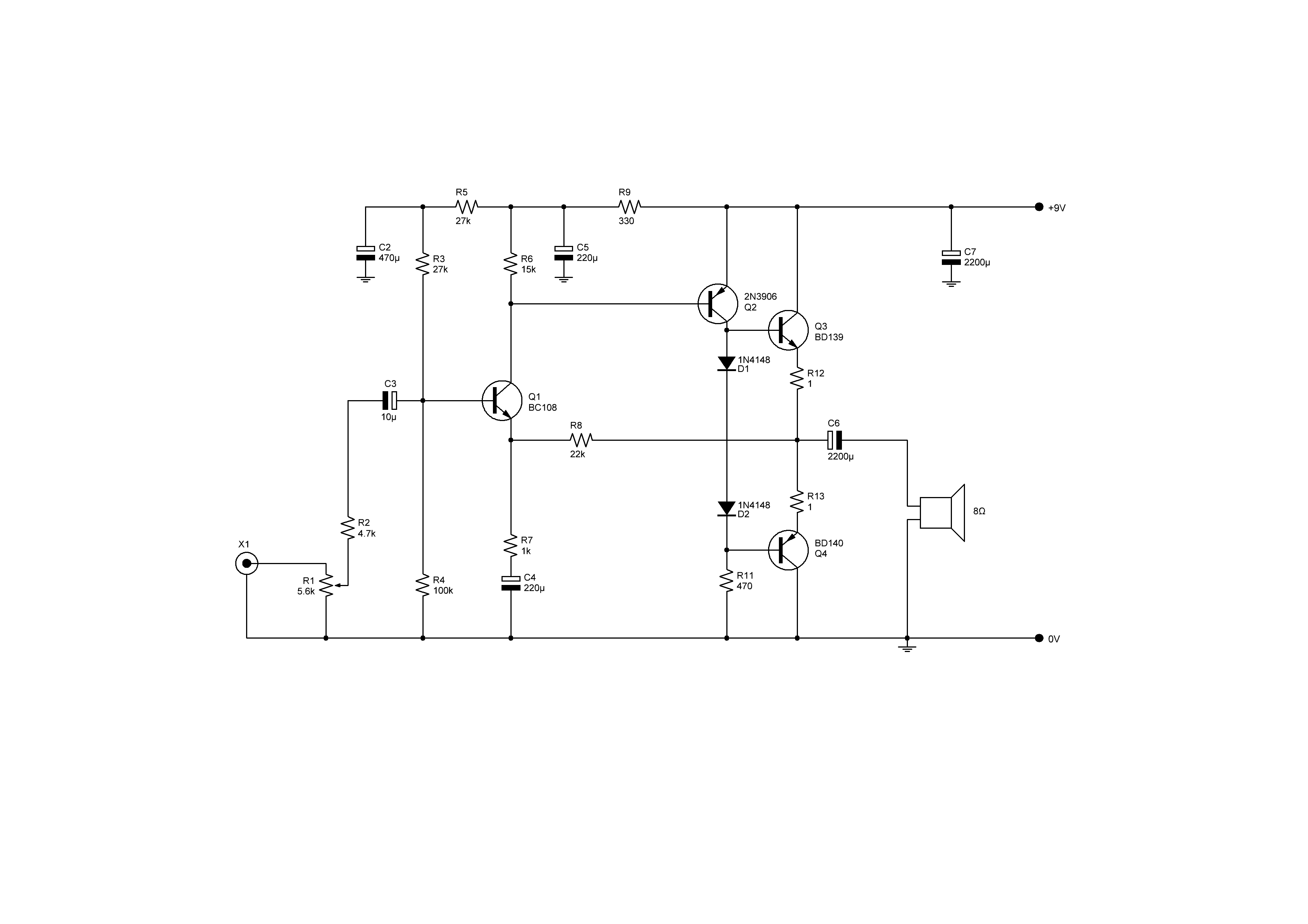
BD139/BD140 Amplifier Version 1