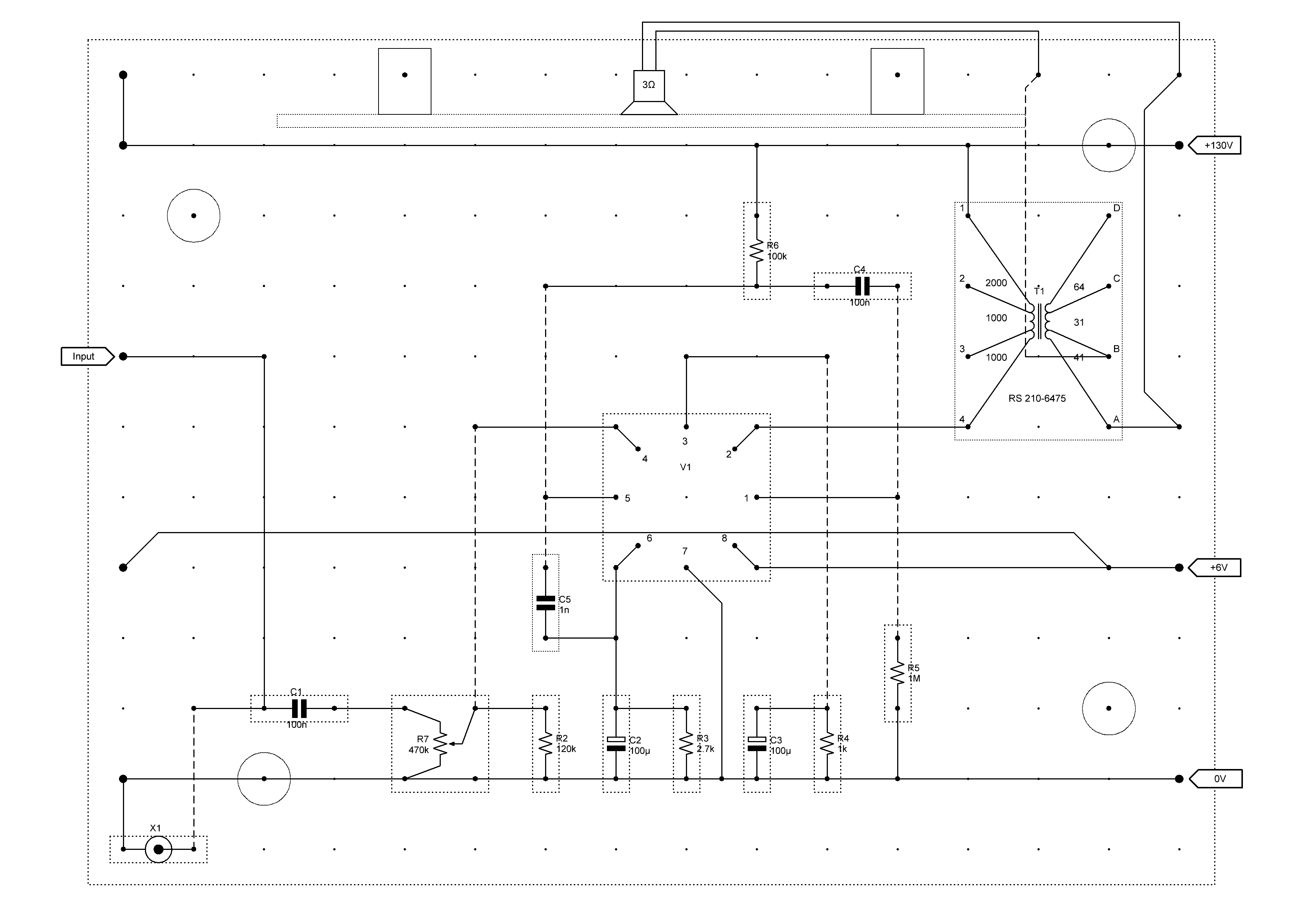
6SN7GT Amplifier

RS Universal Output Transformer